Добро пожаловать на покупку шестеренчатых насосов ( на этом аукционе X104) всемирно известного болгарского производителя CAPRONI.
в ассортименте мы имеем много видов насосов с внешним зубчатым рядом:
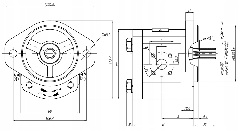
- односекционные из группы 20 (доступны в нашем ассортименте X016GF, X006, X007, X086, X104)
- двух-и трехсекционные
- на заказ насосы с клапаном в задней крышке
мы предоставляем консультации по выбору подходящего насоса для ваших нужд.
высокое качество и применение
зубчатые насосы преобразуют механическую энергию приводного двигателя в гидравлическую энергию потока рабочей жидкости.
находятприменение в сельскохозяйственной технике, экскаваторах, кранах, подъемниках, а также в других отраслях промышленности.
при выборе устройства необходимо учитывать ph и вязкость рабочей среды. Также обратите внимание, что перекачиваемые жидкости не могут вступать в реакцию с материалами, из которых изготовлен насос.
насосы с наружными зубчатыми рядами имеют простую конструкцию, удобную в обслуживании, с высокой самовсасывающей способностью. Все насосы проходят проверку качества в процессе производства.
преимущества насосов CAPRONI
- низкая стоимость покупки
- возможность длительной эксплуатации
- безотказность
- изготовлены из алюминиевого корпуса и чугунных задних крышек
- доступны в стандарте нитриловое уплотнение, витоновое уплотнение доступно на заказ
- доступны с фланцами, валами и портами, характерными для европейского, немецкого, Европейского, немецкого, Европейского, немецкого, Европейского, немецкого, европейского и SAE
- характеризуются высокой объемной эффективностью благодаря своей конструкции и точному контролю допусков обработки
- осевая компенсация достигается за счет подвижных втулок, которые обеспечивают высокую объемную эффективность
