современная шестерня для Циклопа (новый тип) - 30KW HYLMET для шестеренчатых насосов серии PZ30-WOM PZ30-WOM.XKZ.NE 1: 3
прочный, безотказный редуктор, на который вы можете положиться годами. 100% польское производство.
редуктор на основе наклонных зубьев, гарантирующийтихую и комфортную работу (-15 дБ) ивысокую передаваемую мощность .
мультипликаторы этого типа используются в качестве замены старых изношенных редукторов для погрузчика Cyclop и в гидравлических системах, предназначенных для сельского хозяйства.
зубчатые передачи HYLMET благодаряТолстому, прочному корпусу (минимальная толщина 7 мм) и до7 подшипников идеально подходят для тяжелых условий эксплуатации.
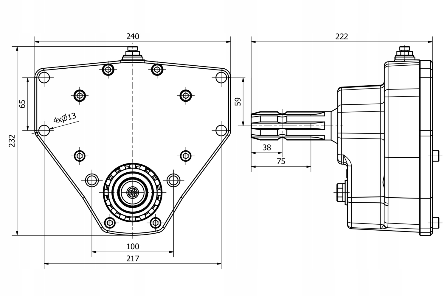
мультипликатор имеет стандартные монтажные отверстия для рамы погрузчика Cyclop.
