для систем с напряжением 12V, монтируется на обратной линии.
эффективно снижает температуру масла, что приводит к бесперебойной работе гидравлической системы и ее компонентов
устойчивость к атмосферным воздействиям
широкий спектр применения в гидравлических системах в сельском хозяйстве, строительстве и промышленности
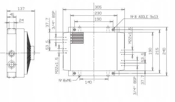
диаметр вентилятора : 205 мм
расход воздуха : 1200 м3/ч
максимальный расход масла в системе : 125 л /мин
для радиатора можно приобрести кроме того, термостат доступен на наших аукционах.п>
