производство:
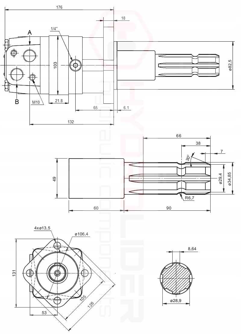
оригинальный продукт марки Hydrolider, символ: 1.37.20.126
применение:
имеет широкое применение в гидравлических системах в сельском хозяйстве, садоводстве, лесном хозяйстве, строительстве и широкой промышленности.
двигатели с одинаковыми размерами, в зависимости от происхождения и производителя, встречаются под разными символами m.in.:оMS, BMS, SMS, OMSS, OMZSи другие
гидравлический двигатель SMS 125-WOM < /b > предназначен в первую очередь для работы в различных видах сельскохозяйственного и промышленного оборудования. В системах, где большой спрос на мощность и крутящий момент.
рекомендуемое применение:
- обертки, измельчители, разбрасыватели
- подметальные машины, пескоструйные машины, снегоуборочные машины
- разбрасыватели листьев и веток
- ленточные конвейеры
- измельчители и измельчители веток
- лесные лебедки и лебедки для транспортных средств
- садовые буровые установки и буровые установки для наземных скважин
- ходовые приводы < /ul>
