производство:
оригинальный продукт марки Badestnost Bulgaria, символ производителя: 02Z80 A ES3 12VDC G; символ: 1.10.50.020.1
применение:
имеет широкое применение в гидравлических системах сельского хозяйства, садоводства, лесного хозяйства, строительства и широкой промышленности.
сплиттер подходит для различных видов машин, таких как: сельскохозяйственная техника, тракторы, опрыскиватели, турки, циклопы, погрузчики HDS, строительная техника, погрузчики, экскаваторы, подметальные машины, промышленные машины и другое оборудование, имеющее гидравлическую систему.
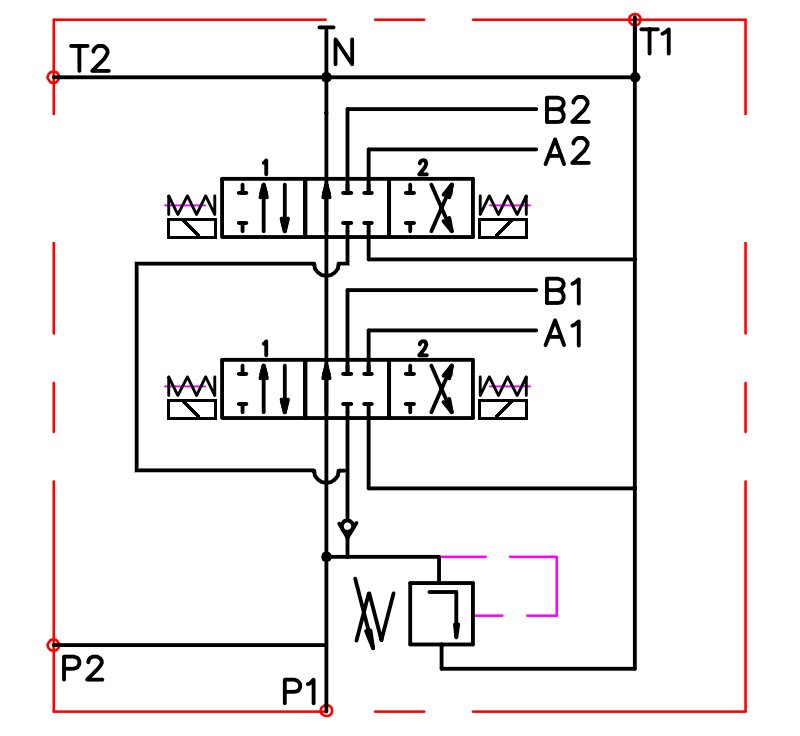
технические характеристики:
в комплекте набор электрических штекеров.
рекомендуемый расход масла системы: 0 - 80 л / мин.
Пример управления: два привода 2-стороннего действия.
возможность последовательного подключения к существующей системе (требуется напорная втулка).п>
