производство:
оригинальный продукт марки Hydrolider, символ: 1.10.33.010
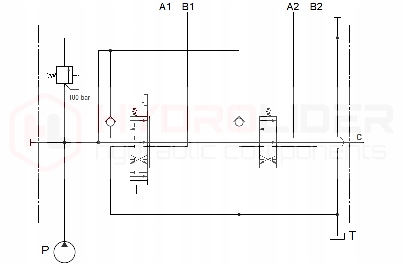
применение:
имеет широкое применение в гидравлических системах в сельском хозяйстве, садоводстве, лесном хозяйстве, строительстве и широкой промышленности.
распределитель предназначен для управления фронтальным погрузчиком на западных тракторах с открытой гидравлической системой, в основном на тракторах VALTRA, где гидравлическая система не оснащена системой LS.
распределитель на тросах применяется везде, где по соображениям безопасности, комфорта управления или необходимости поддержания чистоты требуется установка распределителя вне кабины. В кабине остается только блок управления, например джойстик, который соединен с распределителем тросами.
предназначен для работы в открытых системах (SDM), не оборудованных системой LOAD SENSING.
технические характеристики:
- рекомендуемый расход масла системы: 0 - 90 л / мин.
- пример управления: два привода 2-стороннего действия.
