производство:
оригинальный продукт марки Badestnost, символ производителя: 03P40 A1A1A1+JOY; символ: 1.10.00.039
применение:
имеет широкое применение в гидравлических системах в сельском хозяйстве, садоводстве, лесном хозяйстве, строительстве и широкой промышленности.
сплиттер подходит для различных видов машин, таких как: сельскохозяйственная техника, тракторы, опрыскиватели, циклопы, погрузчики HDS, строительная техника, погрузчики, экскаваторы, подметальные машины, промышленные машины и другое оборудование с гидравлическим управлением.
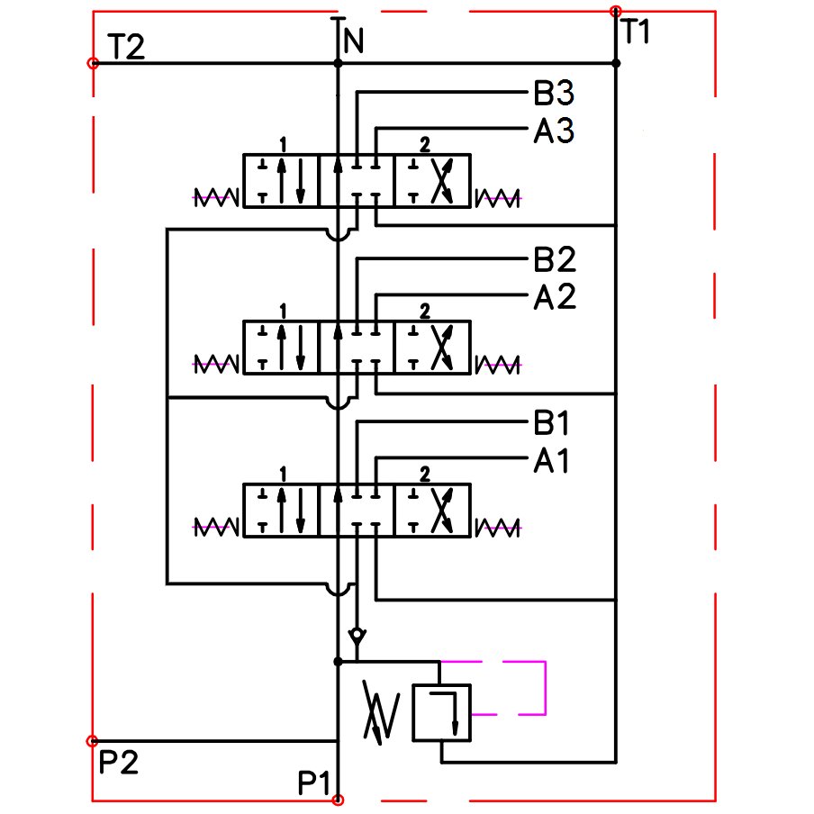
технические характеристики:
рекомендуемый расход масла системы: 0 - 40 л / мин. Пример управления: три привода 2-стороннего действия.
возможность последовательного подключения к существующей системе (требуется напорная втулка).п>
