код среза MET: [7673]
производитель: SM-G (SKRAW Met GROUP)
в состав входит:
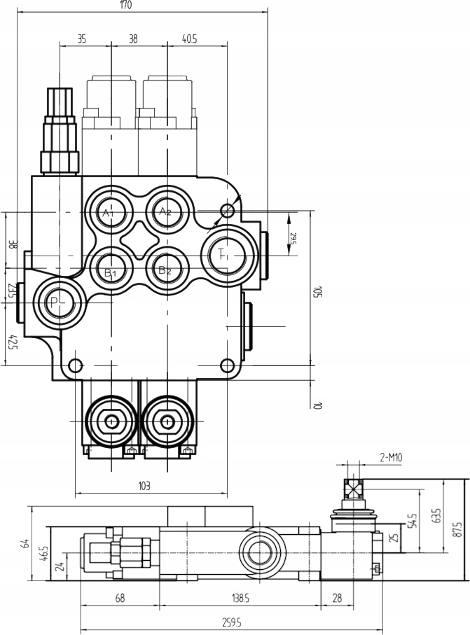
- гидравлический разделитель 2 секций 80л + защелка [3317]
- 2x соединение BSP: 3/4" - m22x1.5 [1392]
- 4X соединение BSP: 1/2"- m22x1.5 [1388]
высококачественный моноблочный сплиттер. Он отличается компактной структурой, стабильной работой и высокой универсальностью.
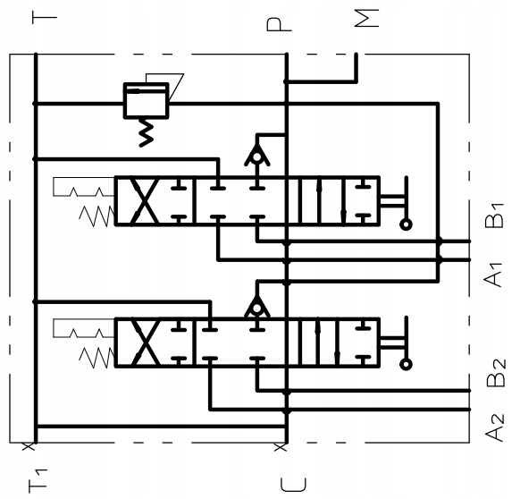
позволяет управлять двумя приводами двойного действия.
существует возможность последовательного подключения к существующему чипу.
использование в конструкции защелки приводит к тому, что отлично работает в устройствах, которые не требуют постоянного удержания руки на рычаге (работает долгое время в одном положении ).
высококачественный моноблочный сплиттер!
применение:распределитель идеально подходит для машин и оборудования с гидравлическим приводом.
может использоваться в сельском хозяйстве, садоводстве, лесном хозяйстве или строительстве.
универсальный распределитель, применяется в различных видах машин, таких как:- циклопы
- повороты
- погрузчики
- плуги
- вилочные погрузчики и многие другие
