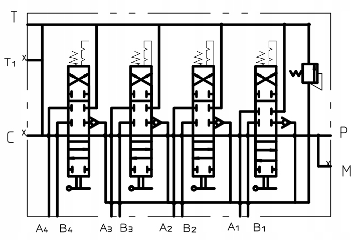
высококачественный моноблочный сплиттер. Он отличается компактной структурой, стабильной работой и высокой универсальностью.
позволяет управлять четырьмя приводами двойного действия.
существует возможность последовательного подключения к существующему чипу.
использование в конструкции защелки приводит к тому, что отлично работает в устройствах, которые не требуют постоянного удержания руки на рычаге (долгое время работают в одном положении).
тип распределителя подходит для работы с m.in. гидравлическими цилиндрами, а освобождение от защелки и переход в положение 0 (нейтральное) вызывает блокировку потока масла, что приводит к остановке выдвижения привода в заданном положении.
распределитель предназначен для работы с приводами. использование с гидравлическими двигателями не рекомендуется.
высококачественный моноблочный сплиттер!
применение:распределитель идеально подходит для машин и оборудования с гидравлическим приводом.
может использоваться всельском хозяйстве, садоводстве, лесном хозяйстве или строительстве .
универсальный распределитель, применяется в различных видах машин, таких как:- циклопы
- повороты
- погрузчики
- плуги
- вилочные погрузчики и многие другие
