производство:
оригинальный продукт марки Badestnost, символ производителя: 03p40 A1A1C1 GKZ1; символ: 1.10.00.032
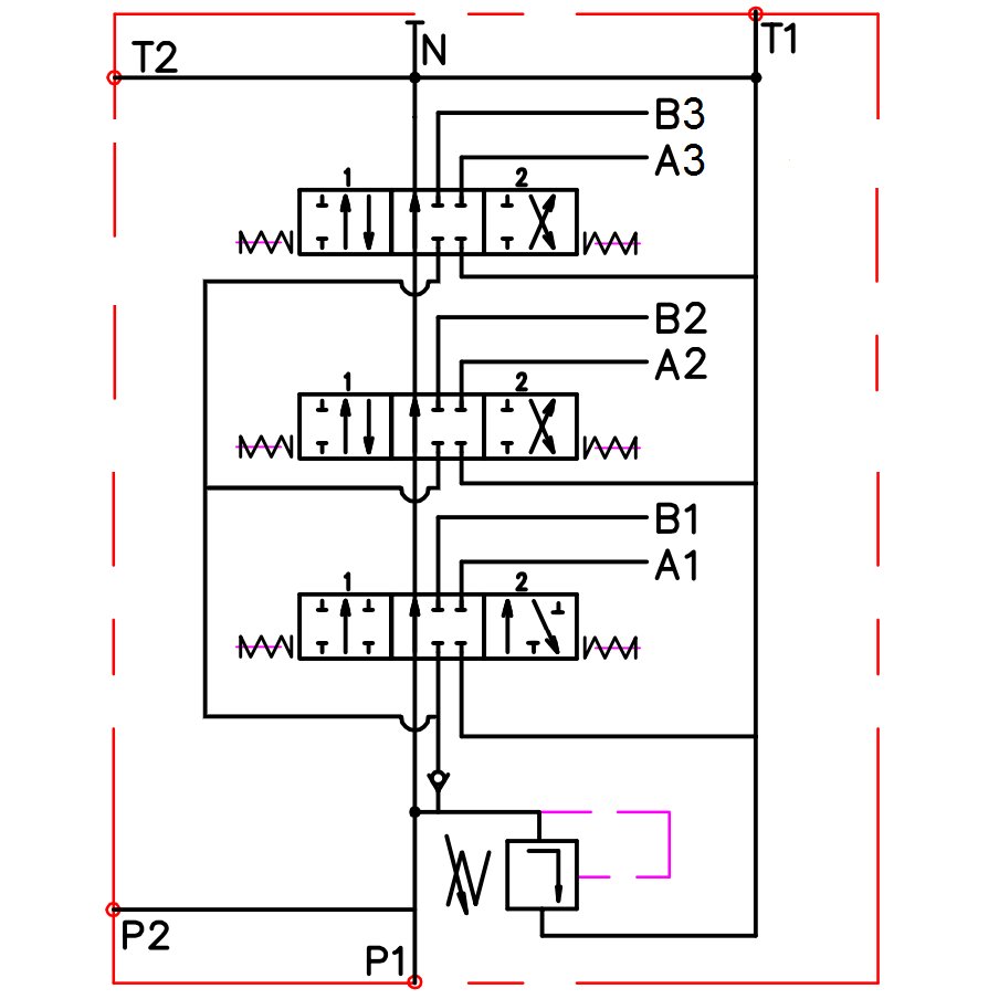
применение:
имеет широкое применение в гидравлических системах в сельском хозяйстве, садоводства, лесного хозяйства, строительства и широкой промышленности.
сплиттер подходит для различных видов машин, таких как: сельскохозяйственная техника, тракторы, опрыскиватели, циклопы, погрузчики HDS, строительная техника, погрузчики, экскаваторы, подметальные машины, промышленные машины и другое оборудование с гидравлическим управлением.
плунжерная секция специально приспособлена для управления цилиндрами одностороннего действия.
во второе отверстие на секции ввинчивается заводская металлическая пробка. Нет необходимости выводить дополнительный перевод в этом месте. Односторонний цилиндр свободно опускается и не блокирует поток масла, выходящий в это время из насоса.
плунжерная секция очень полезна в фронтальных погрузчиках TUR с односторонними приводами для подъема основной рамы.
технические характеристики:
рекомендуемый расход масла системы: 0 - 40 л / мин. Пример управления: один привод 1-стороннего действия и два привода 2-стороннего действия.
возможность последовательного подключения к существующей системе (требуется напорная втулка).п>
