FN708886501 - 708886501 Резиновая накладка на рычаг управления

FN708886501 - 708886501 Резиновая накладка на рычаг управления

Что вы ищете?

FN708886501 - 708886501 Резиновая накладка на рычаг управления

В наличии
Код товара:
15451528693
4268,00 ₴
Основные параметры
Дополнительная информация
Состояние Новый
Номер детали FN708886501
Описание
708886501 Osłona gumowa dźwigni sterującej

708886501 Резиновая накладка на рычаг управления

ОПИСАНИЕ ПРОДУКТА:

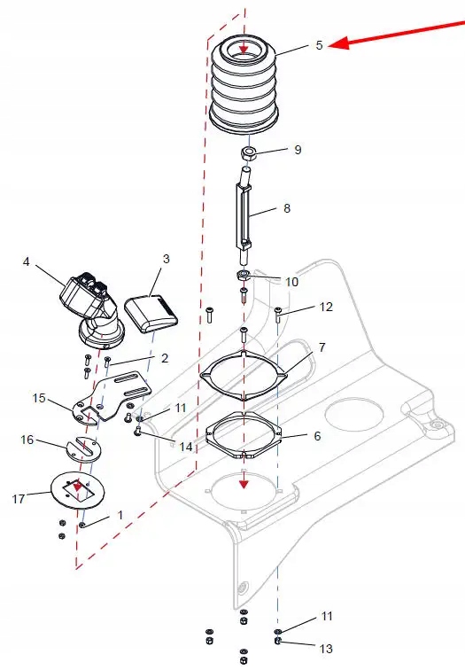
Оригинальный резиновый чехол рычага управления, каталожный номер 708886501, используется в погрузчиках Faresin.

Каталожный номер детали: 708886501

Категория: Запчасти для погрузчиков

Производитель детали: Фарезин

Заменители:

Бренд: Другое

Подходит для машины:

<ул>
  • Зарядное устройство> Faresin> 6.26 Classic 52 В
  • 708886501 Osłona gumowa dźwigni sterującej Marka maszyny Inna
    Scroll To Top