комбинированная установка генератор C-360 EXPOM kwidzyn eu
индекс 46/45-793/1aex
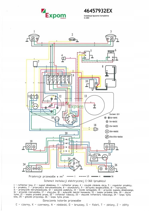
комбинированная установка генератор для Трактора c-360 в бренде Expom kwidzyn eu это продукт, изготовленный из лучших компонентов. В установке используются медные провода с маркировкой FLY, они обладают лучшими пластическими и температурными свойствами (от -40 до +125С),благодаря чему они более гибкие и не ломаются. Каждый луч проходит электрический контроль, правильный выбор лучших материалов обеспечивает безопасность и длительную безаварийную работу систем установки. В состав установки входят все провода, переключатель зажигания, блок предохранителей, распределительная полоса и переключатель указателей поворота. Провода установки соединены под вышеупомянутыми компонентами.
применение:
- Ursus:C-360;C-355;C-4011;C360;C-355;C-4011.
