Bosch 0 281 002 487 датчик, давление наддува

Bosch 0 281 002 487 датчик, давление наддува

Что вы ищете?

Bosch 0 281 002 487 датчик, давление наддува

В наличии
Код товара:
12371496983
5198,00 ₴
Основные параметры
Дополнительная информация
Состояние Новый
Номер детали 0 281 002 487
Номера заменяемых деталей AUTLOG AS5235, DELPHI PS10145, ERA 550389, KW 493 022, MEAT & DORIA 82306, MEAT & DORIA 9273, MTR 12167685, NGK 95936, PartsTec PTA565-0106, QUINTON HAZELL XMAP623, SIDAT 81.164, SIDAT 84.305, TRICLO 437506, TRISCAN 8824 10038, WE PARTS 391230073, WE PART
Оригинальный номер детали OPEL 6335606, OPEL 97287868, VAUXHALL 97287868,
Описание
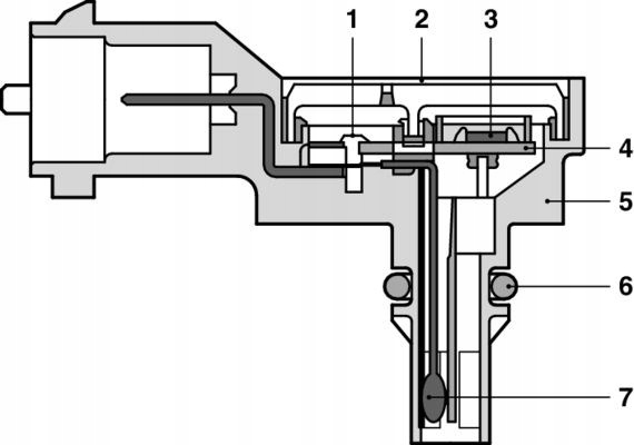
предметом продажи является: 0 281 002 487

датчик давления воздуха OPEL ASTRA MAP SENSOR 1.7 CDTi

параметры:

<улей>
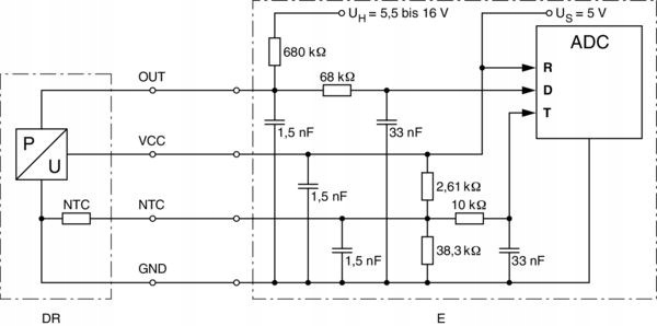
  • диапазон температур от [° C]: -40
  • диапазон температур до [° C]:<130 / li>
  • код: 0 281 002 487
  • производитель: BOSCH
  • GenArtName: датчик, давление наддува
  • EAN: 3165143619094