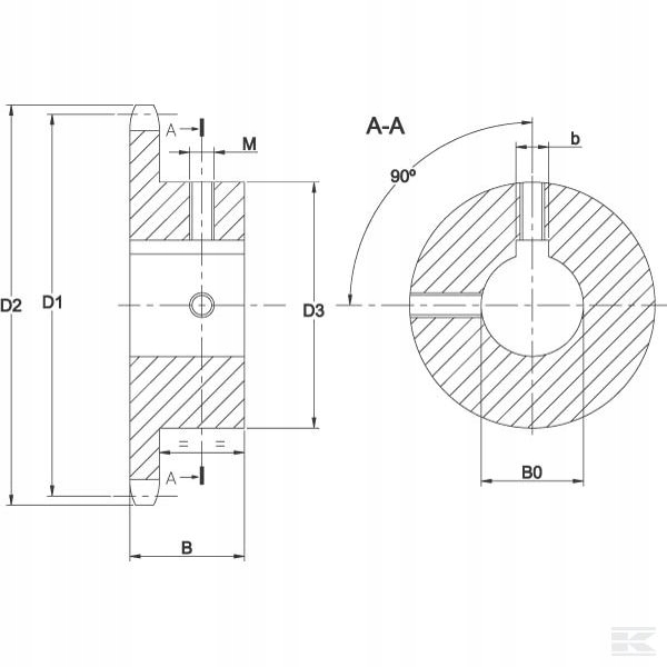
звездочка одиночная с закаленным венком, отверстием с пазом под клин и крепежными болтами.
для цепи 5/8" 10b-1
- диаметр отверстия fi 40 мм
- паз под клин 12 мм
- индуктивно закаленные зубы ( HRC 45-55)
- установка ступицы: H7
- клиновая канавка по DIN 6885 на центральной линии зубьев
- резьбовое отверстие M10 на клине и на 90°
- 2 регулировочных винта
