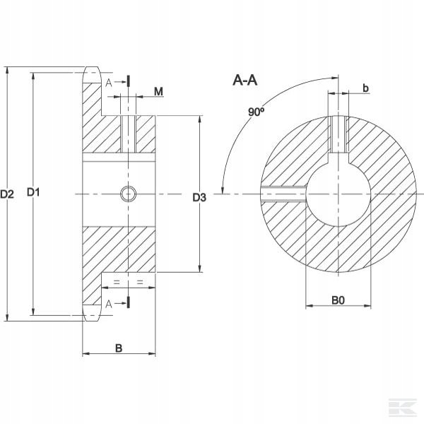
звездочка одиночная с закаленным венком, отверстием с пазом под клин и крепежными болтами.
для цепи 1/2" 08b-1
- диаметр отверстия fi 30 мм
- паз под клин 8 мм
- индуктивно закаленные зубы ( HRC 45-55)
- установка ступицы: H7
- клиновая канавка по DIN 6885 на центральной линии зубьев
- резьбовое отверстие M6 на клине и на 90°
- 2 регулировочных винта
