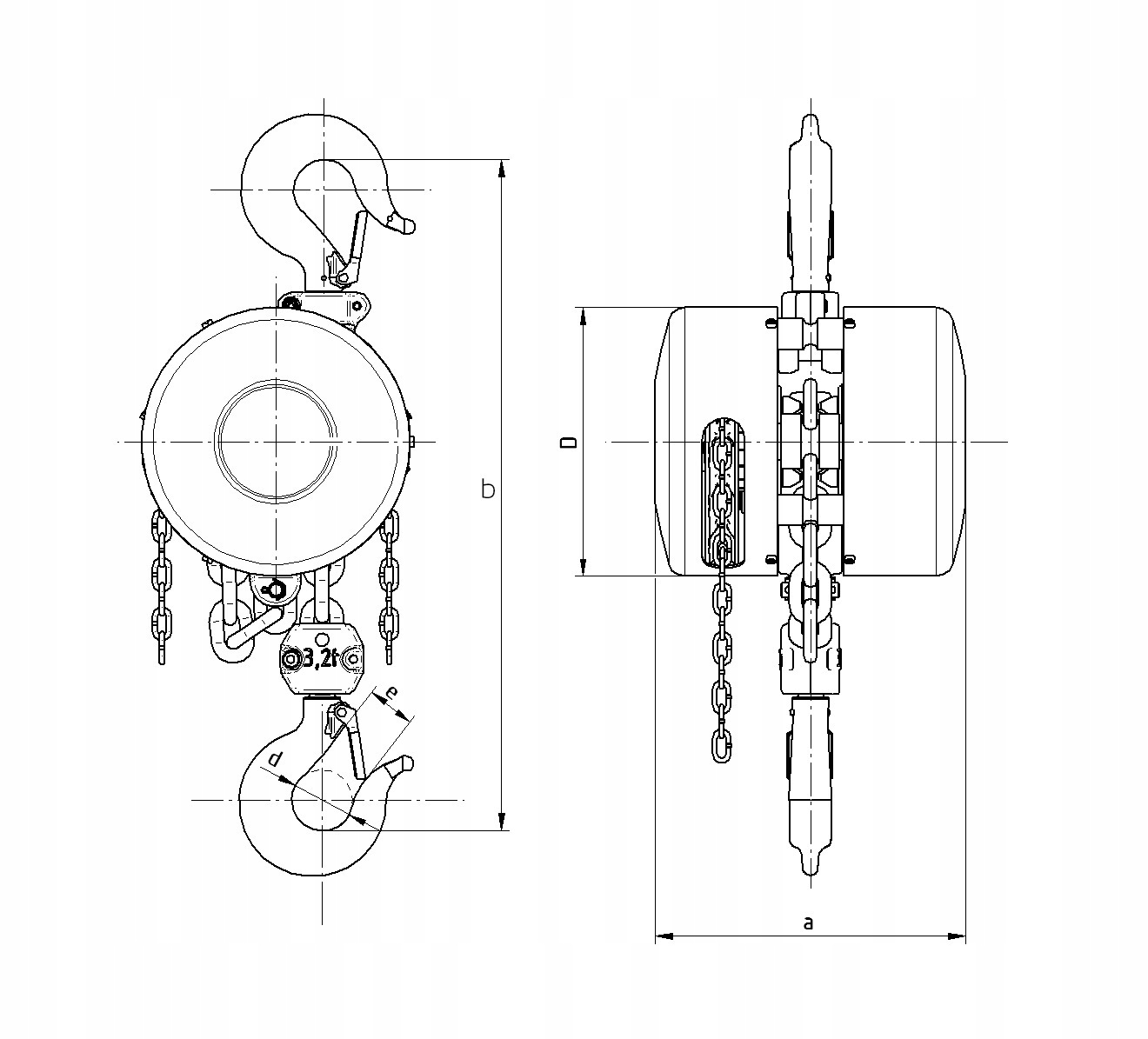
параметры:
тип: Z100
грузоподъемность: 1T
количество несущих цепей: 1
цепь для веса: & # 216; 7 x 21
ручная цепь: & # 216; 4 x 20
высота подъема: 3 м
сила управления: 350n
скорость подъема*: 0,7 м/мин
вес-14,1 кг
* рассчитывали при условии размотки 30 м ручной цепи в минуту.п> основные размеры:
a-180mm
d-36mm
D-136mm
e-23,5 мм
L - 330mm
