описание:
двойной контрольный клапан используется для блокировки приемника в обоих направлениях. Поток свободен в одном направлении, а в другом контролируется управляющим давлением. Он в основном используется в качестве гидравлического замка на цилиндрах.
применение:
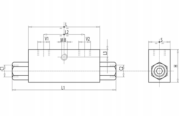
подключите V1 и V2 к линии питания и C1 и C2 к приводу.
материал:
оцинкованная сталь
выделенная среда
масло
тип
двойной
рабочее давление макс.
350 бар
обработка поверхности
оцинковка
давление открытия
6 бар
расход макс.
50 л/мин
коэффициент
1:5.0
количество соединений
2
тип резьбы соединения
BSP
V1-V2 Диаметр резьбы соединения
1/2 дюйма
диаметр резьбы трубы/трубки
M8
L1 общая длина
142 мм
s общая ширина
35 мм
h общая высота
45 мм
L2 расстояние соединения - длинный
45 мм
L3 расстояние соединения - короткий
12,5 мм
L длина корпуса
90 мм
