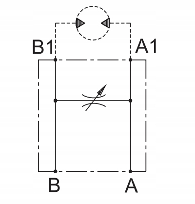
гидравлический клапан BVR 1201 1/2 " регулятор оборотов двигателя
применение:
имеет широкое применение в гидравлических системах в сельском хозяйстве, садоводстве, лесном хозяйстве, строительстве и широкой промышленности.
клапан не имеет функции слива избыточного масла на перелив и компенсации. Избыток масла дросселируется и после регулировки, за клапаном падает давление.
предназначен для использования в машинах, где гидравлический двигатель умеренно нагружен и циклически ходит короткими очередями.
регулировка клапана осуществляется с помощью ручки, возможность закрепления настроек с помощью контргайки. Клапан позволяет регулировать вращение двигателя в обе стороны, но имеет только одну регулировочную ручку, поэтому настройка вращения в обоих направлениях будет одинаковой.п>
