состав комплекта:
- 3-фазный двигатель
- лапы для крепления двигателя
- зубчатый насос
- колокольчик
- кулачковая муфта
- прямые соединения
производство:
оригинальный продукт марки HYDROLIDER, символ: 1.40.52.5182
применение:
имеет широкое применение в гидравлических системах в сельском хозяйстве, садоводстве, лесном хозяйстве, строительстве и широкой промышленности.
двигатель с насосом общего назначения, подходит для непрерывной работы.
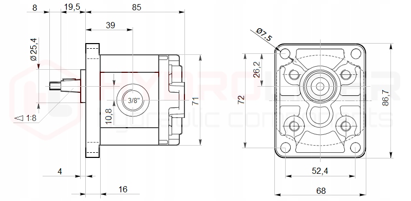
технические характеристики комплекта:
- мощность двигателя: 380 В
- производительность насоса в комплекте: постоянная 5,18 л/мин
- максимальное давление в комплекте: 13 МПа
- скорость вращения двигателя: 1400 об/мин (постоянная)
- механический размер двигателя: G90
- мощность двигателя: 1.5 KW
- тип двигателя: B35 с фланцевым хвостовиком
- тип насоса: GR1 3,70cm3 (европейский стандарт)
<
