состав комплекта:
- 3-фазный двигатель
- лапы для крепления двигателя
- шестеренчатый насос
- колокольный звено
- кулачковая муфта
производство:
оригинальный продукт марки hydrolider, символ: 1.40.50.516
применение:
имеет широкое применение в гидравлических системах в сельском хозяйстве, садоводстве, лесном хозяйстве, строительстве и широкой промышленности.
двигатель с насосом общего назначения, подходит для непрерывной работы.
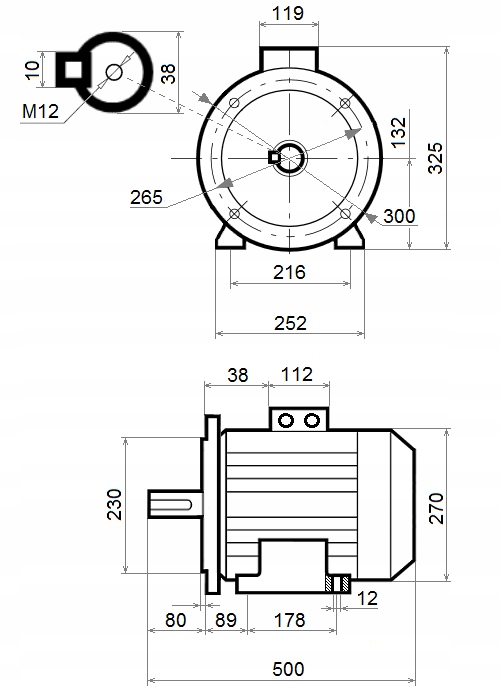
технические характеристики комплекта:
< ul >
