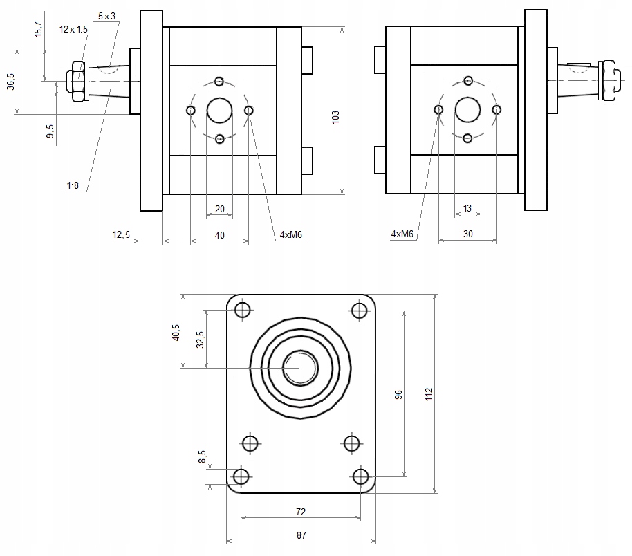
производство:
оригинальный продукт марки Hydrolider, символ: 1.40.46.001
применение:
многие тракторы марки MASSEY FERGUSON среди прочего:
TN70DA, TN55 D, TN65 TN70 D, TN75 D, tn55 s, tn65 S, TN70 S, tn75 s, TL70, tl80, tl90, tl100, tm115, Tm125, tm135, tm150, tm165, tm175, tm190
сравнительные номера различных производителей:
оригинальные номера Bosch:
0510225317, 0510325320, 0510425334, 0510525374, 0510525375, 0510625381, 0510625386, 0510725410, 0510725411, 0510725412, 0510225022, 0510325025, 0510425043, 0510525074, 0510525075, 0510625075, 0510625076, 0510725112, 0510725113, 0510725114, 0510525042, 0510525348, 0510625063, 0510625318, 0510725331, 0510425032, 0510425309, 0510525046, 0510525313, 0510525348, 0510625318
сравнительные номера других производителей
517971, 569309, 1901322, 1930049, 1930061, 5085685, 5086286, 5094391, 5101781, 5121076, 5129481, 5129483, 5129488, 5129493, 5130127, 5130133, 5168841, 5169041, 5169772, 5179714, 5179719, 5179722, 5179724, 5179726, 5179730, 5179732, 8273385, 8281794, 25714005, A 18 X, A 25 X, A 31 X, A 42 X, C 42 X, K200916, K307945, K928578, K944907, K949605, K919048, 1530459c1, 1967851c1, 1424599m91, 1825210m91, 1825212m91, 1825212m91, 3536740m91, 3539857m91, 3539857M91, 3539858m91, 3539858m91, 3539859M91, 3549613M91, 3549614M91, 1824474M92, 2.4529.200.0, 2pz4-16/22-1-775
дополнительная информация при покупке:
Примечание: для более точного выбора параметров насоса для вашего трактораобязательно пожалуйста, при покупке укажите номера, которые находятся на старом насосе. Если номера на старом насосе отличаются от тех, которые указаны на аукционе, пожалуйста, укажите их.
номера можно найти на корпусе или паспортной табличке, расположенной на насосе.п>
