производство:
оригинальный продукт марки Hydrolider, символ: 1.40.10.020.1
применение:
имеет широкое применение в гидравлических системах в сельском хозяйстве, строительстве и промышленности. В мобильных системах, вспомогательных и гидравлических системах в тракторах, а также в стационарных гидравлических системах по авторским проектам и другим.
насос предназначен для работы в системах, где рабочим фактором является гидравлическое масло.
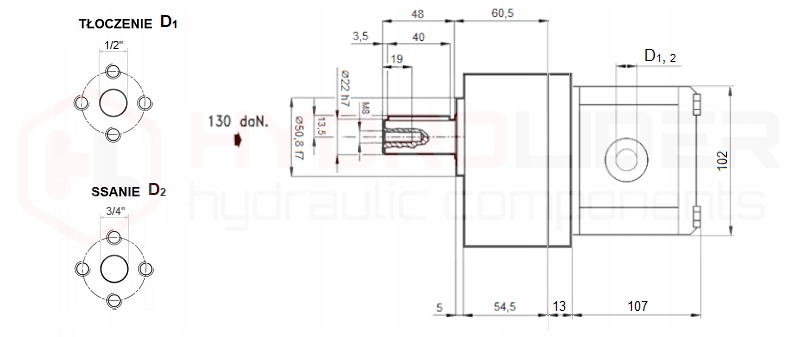
оснастка подшипников и защищает вал насоса от боковых и эксцентриковых напряжений, значительно продлевая срок его службы и защищая вал от вскрытия.
рекомендуется также для привода различных типов трансмиссионных ремней и конвейерных лент, а также барабанов в дробилках и других конструкциях, имеющих тенденцию к боковому напряжению вала
подшипник позволяет приводить насос через шкив и клиновой или трансмиссионный ремень. Насадка преобразует конический вал насоса в прямой цилиндрический вал, что значительно облегчает установку, например, шкива
