гидравлический клапан для передней тузы
производство:
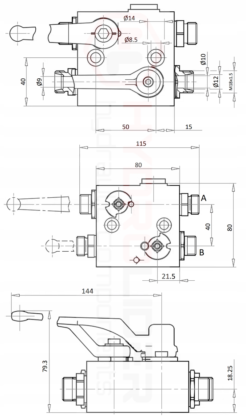
оригинальный продукт марки Hydrolider, символ: 1.35.54.101
применение:
имеет широкое применение в гидравлических системах в сельском хозяйстве, строительстве и промышленности.
переключающий клапан, обычно расположенный за кабиной, позволяет одним движением выбрать режим работы переднего подъемника типа справа.
принцип работы:
в зависимости от необходимости клапан имеет три режима работы:
первый режим " блокировка":
режим, используемый, когда передний подъемник не используется или при длительном перемещении инструмента или веса (безопасность при транспортировке). Это также позволяет освободить задние фитинги трактора для другого инструмента.гидравлическая система подъема заблокирована . Подъем и опускание рычагов домкрата больше невозможно.
второй режим " двусторонняя работа":
режим, в основном используемый при соединении инструмента (опускание рычагов домкрата)и для наземных работ с передним валом или бульдозером. Приводы переднего подъемника находятся под давлением во время подъема и опускания.
третий режим " односторонняя работа":
режим, используемый в соответствии с передней косилкой или инструментом, оснащенным опорными колесами. Приводы переднего подъемника находятся под давлением при подъеме, но опускание происходит естественным образом (без давления) под весом инструмента. Отсутствие давления при опускании гарантирует, что инструмент находится на земле без помех.п>
