производство:
оригинальный итальянский продукт марки Oleodinamica Marchesini, символ: 1.35.53.002
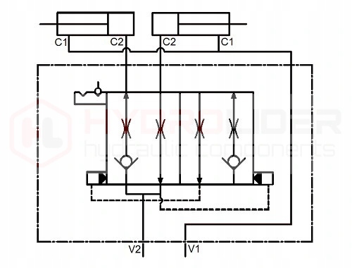
применение:
этот клапан используется для гидравлического управления маркерами следов в сеялках, плантаторах для картофеля и т.п. машинами.
подходит для машин, в которых управление маркерами осуществляется с помощью двух гидравлических цилиндров двойного действия.
принцип работы:
оператор после соответствующего соединения клапана с приводами может свободно переключать положения маркеров, не выходя из кабины трактора.п>
