A1.35.39.010 - ПОСЛЕДОВАТЕЛЬНЫЙ КЛАПАН VS2C 3/8 35л 10-180бар (90) ОМ

A1.35.39.010 - ПОСЛЕДОВАТЕЛЬНЫЙ КЛАПАН VS2C 3/8 35л 10-180бар (90) ОМ

Что вы ищете?

A1.35.39.010 - ПОСЛЕДОВАТЕЛЬНЫЙ КЛАПАН VS2C 3/8 35л 10-180бар (90) ОМ

В наличии
Код товара:
15515279763
3967,00 ₴
Основные параметры
Дополнительная информация
Состояние Новый
Номер детали A1.35.39.010
Описание
ZAWÓR SEKWENCYJNY VS2C 3/8 35L 10-180bar (90) OM Producent części Oleodinamica Marchesini

ПОСЛЕДОВАТЕЛЬНЫЙ ГИДРАВЛИЧЕСКИЙ КЛАПАН

ПРЯМОЙ VS2C 3/8"

Производство:

Оригинальный итальянский продукт марки Oleodinamica Marchesini , обозначение: VS2C 3/8"; 1.35.39.010

Применение:

Широко используется в гидравлических системах в сельском хозяйстве, садоводстве, лесном хозяйстве, строительстве и в широко понимаемой промышленности.

Клапан может использоваться для управления работой двух гидроприводов с питанием от одного источника, например одной секции в распределителе. Клапан помогает определить последовательность работы этих приводов независимо от их размера и нагрузки. Второй исполнительный механизм начинает выдвигаться только после полного выдвижения первого или если первый сталкивается с сопротивлением во время своего выдвижения, что приводит к увеличению и превышению давления срабатывания.

Принцип работы:

Клапан регулирует направление потока масла между двумя независимыми гидравлическими линиями. Клапан направляет поток в первую линию до тех пор, пока не будет превышено заданное давление. При превышении давления клапан переключает поток на вторую линию.

Подключение:

Подключите V к линии электропитания первого приемника. Подключите C к приемнику, который должен начать работать вторым.

Настройка последовательности выдвижения двух односторонних цилиндров с помощью одного клапана последовательности (фото):

ZAWÓR SEKWENCYJNY VS2C 3/8 35L 10-180bar (90) OM Numer katalogowy części A1.35.39.010

Настройка последовательности выдвижения двух цилиндров двойного действия с помощью двух клапанов последовательности (фото):

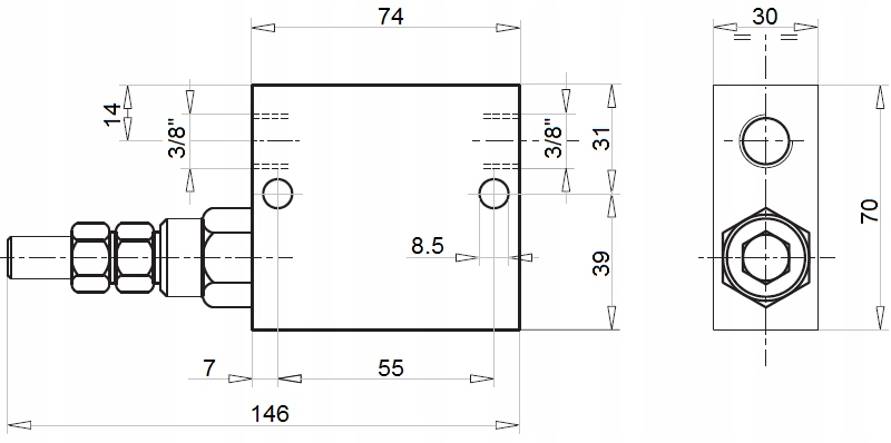
Технические данные:

Максимальный расход: 35 л/мин Количество гидравлических отверстий в корпусе: 2 Внешняя резьба в корпусе: 3/8" [BSP] Корпус материал: оцинкованная сталь Вес: 1,172 кг

Диапазон давления:

Диапазон регулировки давления клапана: 10–180 бар Заводская настройка клапана: 90 бар Регулировка клапана: 30 бар на каждый полный оборот

Диапазон температур и тип масла:

Допустимая температура окружающей среды: от -40 C до +60 C Допустимая температура масла: от -15 C до +80 Тип масла С: Гидравлическое масло на основе минерального масла

Гидравлическая схема клапана последовательности VS2C (фото):

Scroll To Top