производство:
оригинальный итальянский продукт марки Oleodinamica Marchesini, символ: DF 6 3/4"; 1.35.26.027
применение:
имеет широкое применение в гидравлических системах в сельском хозяйстве, садоводства, лесного хозяйства, строительства и широкой промышленности.
, установленный на одной секции в распределителе, дает возможность переключения управления между двумя гидравлическими цилиндрами одностороннего или двойного действия, а также между двумя гидравлическими двигателями.
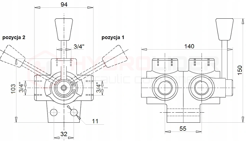
принцип работы:
6-ходовой клапан с 3-позиционным рычагом - это не что иное, как два 3-ходовых клапана, скрученных вместе в один клапан, имеющих общий ползунок и общий рычаг для управления. Благодаря такой конструкции клапан дает возможность переключения направления потока на двух параллельных гидравлических линиях.
в то время как установка клапана открывает поток от P и P1 к приемникам A и B, в это время A1 и B1 отключены. Поворот рычага на 90° дает противоположный эффект.
нормально закрытый клапан. Установка рычага в центральное положение отрезает от себя (закрывает) все порты A, A1, B, B1, P и T. В этом положении поток через клапан полностью блокируется.п>
