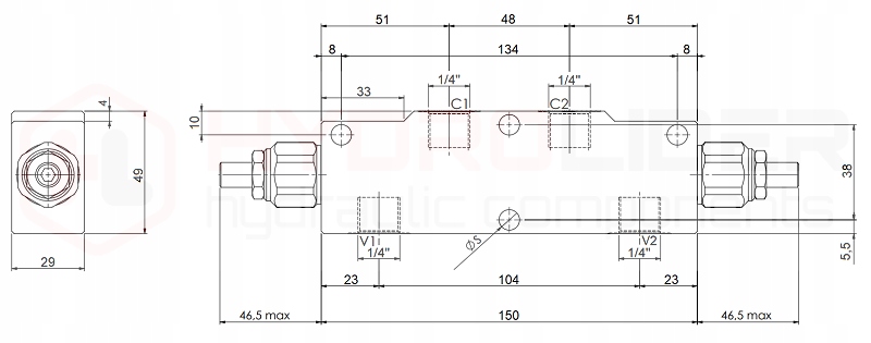
производство:
оригинальный итальянский продукт марки Oleodinamica Marchesini, символ: 1.35.18.305
применение:
имеет широкое применение в гидравлических системах в сельском хозяйстве, садоводстве, лесном хозяйстве, строительстве и широкой промышленности.
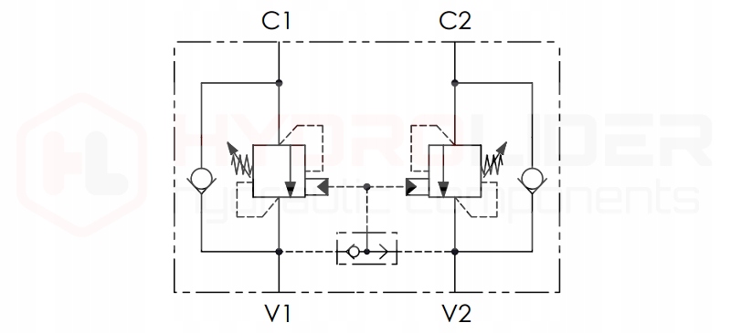
принцип работы:
клапан "counterbalance" представляет собой своеобразное соединение типичного замка к приводу (VBPSE) с переливным клапаном (VMP). Он используется для блокировки движения штока поршня привода в обоих направлениях. Движение привода в противоположном направлении не обеспечивается. Обеспечивает стабилизацию положения штока поршня в тот момент, когда мы не управляем распределителем, а на привод действуют большие силы.
блок клапана перестает работать, когда мы начинаем управлять гидравлическим распределителем или когда силы, действующие на привод, слишком велики и, следовательно, превышено давление, установленное на клапане.
особенно рекомендуется для высоконагруженных приводов, дающих обратное давление в направлении клапана и работающих сериями с большим количеством движений. Рекомендуется для использования, если клапаны типа OVERCENTER не работают должным образом, например, вызывают скачок привода.
клапан может использоваться в качестве тормоза и блокировки вращения гидравлического двигателя. В тот момент, когда мы перестаем управлять двигателем, клапан, не подвергая двигатель и распределитель повреждениям, постепенно затормозит двигатель, а затем защищает его от свободного вращения. Клапан способен тормозить и обеспечивать только одно направление вращения.п>
