производство:
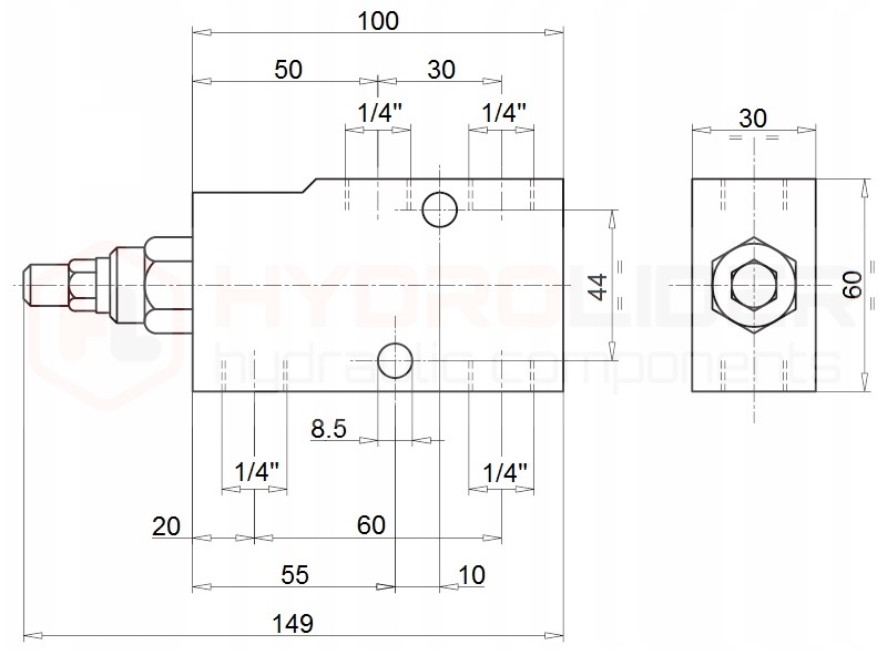
оригинальный итальянский продукт марки Oleodinamica Marchesini, символ: VBCD 1/4" SE-a ; 1.35.18.005
применение:
имеет широкое применение в гидравлических системах в сельском хозяйстве, садоводстве, лесном хозяйстве, строительстве и широкой промышленности.
принцип работы:
клапан "overcenter" представляет собой своеобразное соединение типичного замка к приводу (VBPSE) с перепускным клапаном (VMP). Он используется для блокировки движения штока поршня привода в одном направлении. Движение привода в противоположном направлении не обеспечивается. Это обеспечит стабилизацию положения штока поршня в тот момент, когда мы не управляем распределителем, а на привод действуют большие силы.
блок клапана перестает работать, когда мы начинаем управлять гидравлическим распределителем или когда силы, действующие на привод, слишком велики и, следовательно, превышено давление, установленное на клапане.
клапан может использоваться в качестве тормоза и блокировки вращения гидравлического двигателя. В тот момент, когда мы перестаем управлять двигателем, клапан, не подвергая двигатель и распределитель повреждениям, постепенно затормозит двигатель, а затем защищает его от свободного вращения. Клапан способен тормозить и обеспечивать только одно направление вращения.п>
