A1.35.17.015 - ДВОЙНОЙ ОБРАТНЫЙ КЛАПАН VBPDE 1/2 50л 350бар OM

A1.35.17.015 - ДВОЙНОЙ ОБРАТНЫЙ КЛАПАН VBPDE 1/2 50л 350бар OM

Что вы ищете?

A1.35.17.015 - ДВОЙНОЙ ОБРАТНЫЙ КЛАПАН VBPDE 1/2 50л 350бар OM

В наличии
Код товара:
15501945296
3096,00 ₴
Основные параметры
Дополнительная информация
Состояние Новый
Номер детали A1.35.17.015
Описание
ZAWÓR ZWROTNY BLIŹNIACZY VBPDE 1/2 50L 350bar OM Producent części Oleodinamica Marchesini

КЛАПАН ОБРАТНЫЙ ГИДРАВЛИЧЕСКИЙ VBPDE 1/2"

ЗАМОК ДЛЯ ДВУХСТОРОННЕГО ПРИВОДА

Производство:

Оригинальный продукт марка Oleodinamica Marchesini, условное обозначение: VBPDE 1/2"; 1.35.17.015

Применение:

Широко применяется в гидравлических системах сельского хозяйства, садоводства, лесного хозяйства, строительства и широко понимаемой промышленности.

Принцип действия:

Обратный клапан с двойным управлением, также известный как «затвор», используется для блокировки движения поршня привода. стержень в обе стороны. Он обеспечивает стабилизацию положения штока поршня при неуправляемом распределителе и воздействии на исполнительный механизм больших сил. Блокировка клапана перестает работать, когда мы начинаем управлять гидрораспределителем.

Подключение:

Подключите V1 и V2 к линиям электропередачи, например, к секциям гидрораспределителя. Подключите C1 и C2 к приемнику, например, к приводу двойного действия.

Поток от V1 к C1 и от V2 к C2 полностью блокируется, когда нет давления на V1 и V2. Поток от V1 к C1 и от V2 к C2 открывается при приложении давления к V1 или V2.

Технические данные:

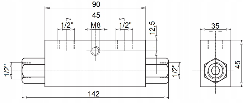
Максимальный расход: 50 л/мин Количество гидравлических отверстий в корпусе: 4 Внутренняя резьба в корпусе: 1/2" [BSP] Материал корпуса: оцинкованная сталь Допустимое максимальное давление: 350 бар Давление открытия проточного блока: 6 бар Вес: 1,042 кг

Диапазон температур и тип масла:

Допустимо температура окружающей среды: от -40 С до +60 С Допустимая температура масла: от -15 С до +80 С Тип масла: Гидравлическое масло на минеральной основе

Гидравлическая схема клапана VBPDE (фото):

ZAWÓR ZWROTNY BLIŹNIACZY VBPDE 1/2 50L 350bar OM Numer katalogowy części A1.35.17.015
Scroll To Top