производство:
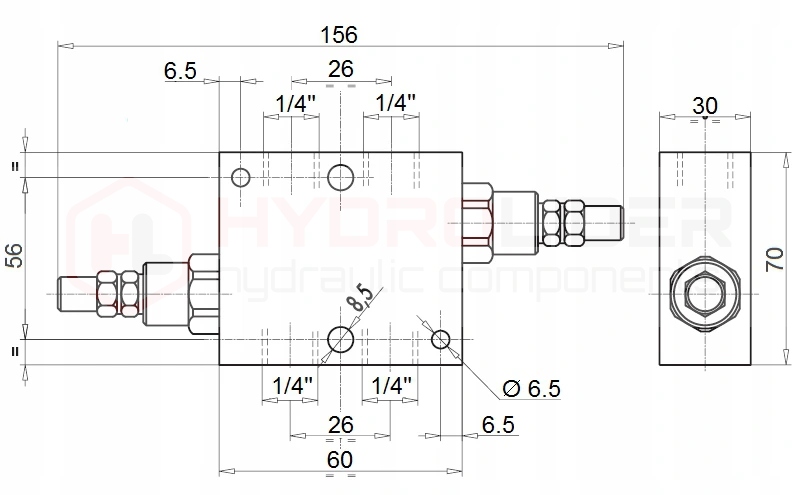
оригинальный продукт марки Oleodinamica Marchesini, символ: вау 1/4"; 1.35.06.005
применение:
он имеет широкое применение в гидравлических системах в сельском хозяйстве, садоводстве, лесном хозяйстве, строительстве и широкой промышленности.
принцип работы:
поперечный (предохранительный) предохранительный клапан используется для ограничения максимального давления на двух входах приемника. Обеспечивает идеальную защиту от резкого скачка давления и позволяет устанавливать различные давления на двух входах гидравлической системы
предназначен для контроля давления на цилиндрах фронтальных погрузчиков и вилочных погрузчиков, а также для плавного торможения гидравлических двигателей. Очень популярный клапан в обмотках, буровых установках, шнеках, погрузчиках, погрузчиках и многом другом.
подключение:
присоедините одну сторону V1 и V2 к напорным линиям, например, в гидравлическом распределителе. Аналогичные выходы с другой стороны V1 и V2 к соединительным портам приемника, например, привода двойного действия или гидравлического двигателя.п>
