производство:
оригинальный продукт марки Hydrolider, символ: 1.06.60.080
сравнительные номера других производителей:
OSPC-80-OR; OSPC80OR; 150n2159
применение:
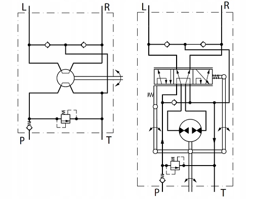
он имеет широкое применение в системах рулевого управления в промышленном оборудовании и транспортных средствах, используемых в транспорте, сельском хозяйстве, садоводстве, лесном хозяйстве, строительстве и промышленности.
Orbitrol OSPC 80 or предназначен для гидравлического управления рулевым управлением в сельскохозяйственных тракторах,вилочных погрузчиках, экскаваторах, комбайнах и строительной технике и т. д.
используется везде, где неровности местности должны быть ощутимы на руле, такое требование, например, в садовых тракторах, которые ездят между хрупкими призмами. Оператор, чувствуя на руле, что въезжает на призму, успевает сократить траекторию движения, не допуская уничтожения посевов.
Уважаемый клиент, прочитайте это, прежде чем купить ORBITROL:
Orbitrol-это очень точное и важное для безопасности движения устройство, к сожалению, на рынке есть много дешевого товара из Китая, который на первый взгляд выглядит одинаково, но мало точное исполнение делает невозможным правильное вождение и работу с Трактором. Мы не рекомендуем самые дешевые орбитролы из ненадежных источников от продавцов, которые не имеют опыта продажи этих типов устройств.п>
