на этом аукционе мы предлагаем вам:
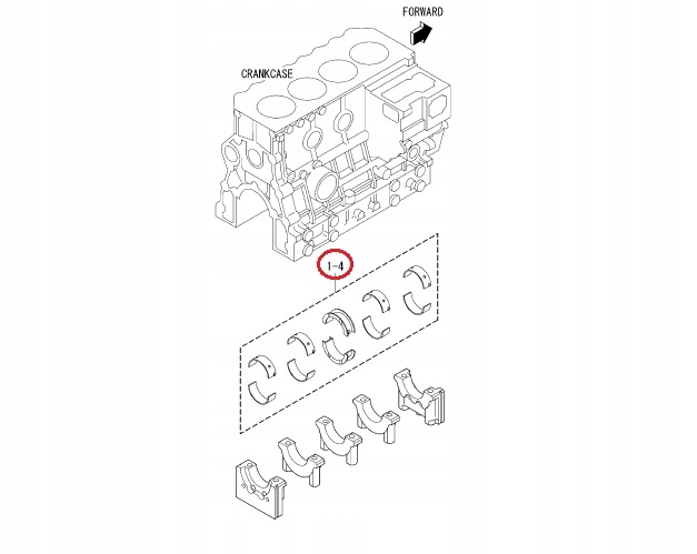
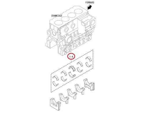
основные вкладыши STD (номинал) известной фирмы FORKLIFTLINE для двигателя MITSUBISHI с обозначением S4L.
Nr.A070052. 000.
FORKLIFTLINE занимается поставками запчастей для вилочных погрузчиков, сотрудничающих только с лучшими тщательно отобранными азиатскими и европейскими производителями. Магнатами в производстве оригинальных запчастей, а также рекомендуемыми заменителями.
у нас есть широкий ассортимент запчастей для вилочных погрузчиков, встречающихся на нашем рынке:
-детали двигателя
-компоненты системы охлаждения
-генераторы и стартеры
- элементы зажигания
- расходные материалы
- детали тормозной системы
- элементы мачты
- и многие другие
возврат НДС для путешественников.TAX FREE SHOPPING.п>
