качество обеспечивает гранит PARTS GERMANY
бренд: гранитные детали Германия
артикул: 87000987
сравнительный номер:
технические параметры:
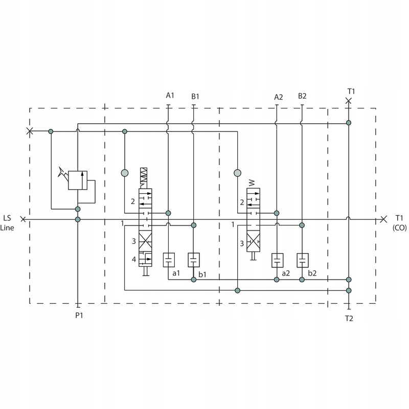
Load Sensing
соединение T (BSP): G 3/4”
соединение P (BSP): G 1/2”
соединение A-B (BSP): G 1/2”
соединение LS (BSP): G 1/4”
