качество обеспечивает гранит PARTS GERMANY
бренд: гранитные детали Германия
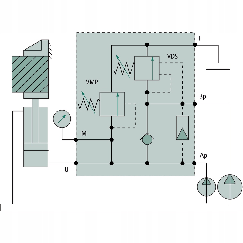
артикул: 85002041
сравнительный номер: ASV-06
технические параметры:
соединение BSP: AP 1/4 "
S (мм): 30
BP макс.: 40 л / мин.п>
T (BSP): 1/2 "
L6 (мм): 13
L (мм): 100
p Макс (бар): 300
H (мм): 80
L7 (мм): 69
