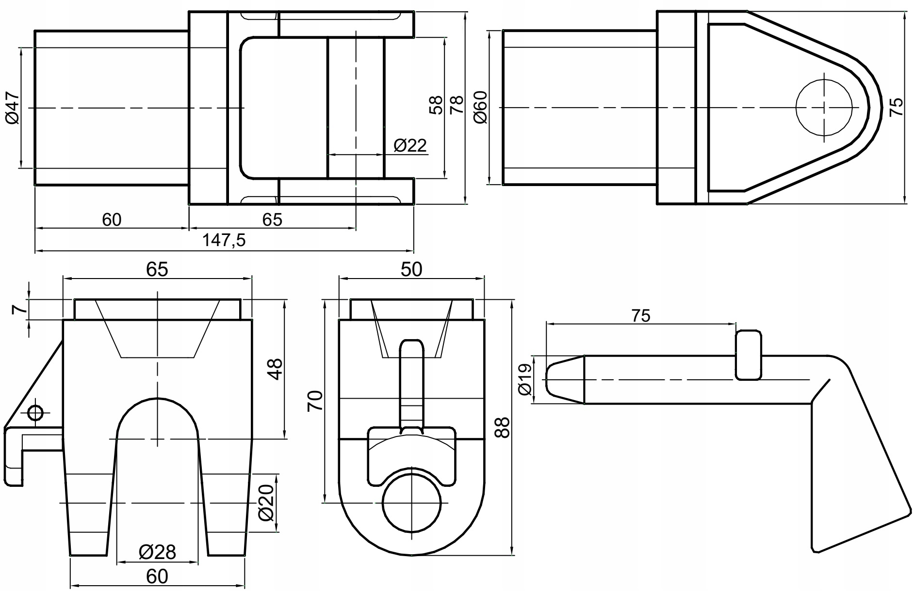
7210.UCH3785 - KPL УХО КРОНШТЕЙН ОПРОКИДЫВАНИЯ С ШТИФТОМ ДО 7 ТОНН

7210.UCH3785 - KPL УХО КРОНШТЕЙН ОПРОКИДЫВАНИЯ С ШТИФТОМ ДО 7 ТОНН

Что вы ищете?

7210.UCH3785 - KPL УХО КРОНШТЕЙН ОПРОКИДЫВАНИЯ С ШТИФТОМ ДО 7 ТОНН

В наличии
Код товара:
13114873647
2808,00 ₴
Основные параметры
Дополнительная информация
Состояние Новый
Номер детали 7210.UCH3785
Описание
опора для опрокидывания с кронштейном и штифтом

[7210]

комплект состоит из:
  • 1X опора
  • 1X опора
  • 1x опора

может использоваться во всех прицепах, сельскохозяйственных прицепах и самосвальных сооружениях для грузовых и коммерческих автомобилей грузоподъемностью до 7 тон.

технические характеристики:
Scroll To Top