1: 3.8 gr 2/3
тип 70004-6 (большой)
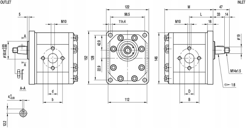
редуктор вала реле мощности с профилированной втулкой 1 3/8" 6 шт. Трансмиссия поставляется с втулкой сцепления (группа 3), но без масла.
идеально подходит для привода гидравлических насосов в лесном, строительном и многих тракторах, включая C-330, C-360, C-385, ZETOR, MF и другие, имеющие выход вом.
редуктор устанавливается на вал вом 1,3 / 8" DIN9611 с помощью защелки, это решение приводит к тому, что его можно довольно быстро установить или разобрать, если окажется, что нам нужен вом для подключения вала реле от другой машины.
трансмиссия идеально подходит для привода гидравлических насосов группы 2 (20) и 3 (30) С фланцем европейского типа.
[0199]
