ШЕСТЕРЕННЫЙ НАСОС GALTECH 2SPA14-D-10-N

ШЕСТЕРЕННЫЙ НАСОС GALTECH 2SPA14-D-10-N

Что вы ищете?

ШЕСТЕРЕННЫЙ НАСОС GALTECH 2SPA14-D-10-N

В наличии
Код товара:
12595466993
15845,00 ₴
Основные параметры
Дополнительная информация
Состояние Новый
Номер детали 2SPA14-D-10-N
Оригинальный номер детали 0510525012, 0510525075,
Описание
шестеренный насос GALTECH 2SPA14-D-10-N замена BOSCH 0510525012 0510525075

применение:

- мобильные приложения

- применение в промышленности

- силовая гидравлика

- замена насоса Bosch nr.: 0510525012, 0510525075

свойства:

- состоит из 3 частей (передняя крышка, задняя крышка, корпус)

- возможность выполнения с учетом конкретного клиента

- различные возможности подключения

производитель: Galtech

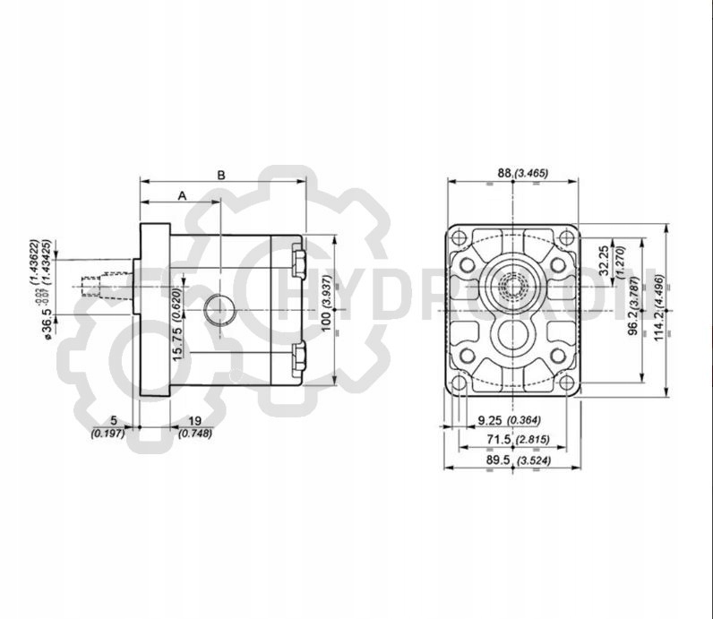
производительность [см3 / об.14,00

тип вала:конус 1: 8

крепление: фланец 4 отверстия

тип фланца:  E2, европейский центрирующий диаметр 36,5 мм

положение соединения: сторона Каро

диаметр зазора между винтами соединения на всасывании: 40 мм

диаметр зазора между винтами соединения на возврате: 30 мм

размер a: 52,7 мм

размер B: 109,6 мм

направление вращения: право (возможность перестройки левые обороты)

тип жидкости:гидравлическое масло на минеральной основе

строительный материал:корпус, передняя и задняя крышка алюминий

скорость вращения макс.[об / мин]: 3500

скорость вращения мин.[об/мин]:  500

мгновенное рабочее давление Макс.: 270 бар

рабочее давление непрерывное Макс.: 250 бар

рабочее давление макс.:  290 бар

Translated by AiTranslate api services.
Scroll To Top