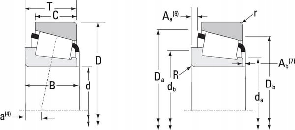
параметры
- номер детали: 29620
- блок: кусок
- производитель: Timken
- EAN: 0053893238838
- свойства: - поглощают высокие радиальные и односторонние осевые нагрузки
- диаметр внешний диаметр: 112,712 мм
- ширина внешней части [C]: 19,05 мм
- радиус корпуса макс. [r] : 3,3 мм
применение
- в закрытой среде со смазкой и маслом
- колесные валы
- трансмиссия
- многорычажные осевые насосы
- планетарный редуктор
- рычаги задних колес
