качество обеспечивает гранит PARTS GERMANY
бренд: Danfoss
артикул: 257151f0541
сравнительный номер: 151f0541
технические параметры:
ролик: без ролика
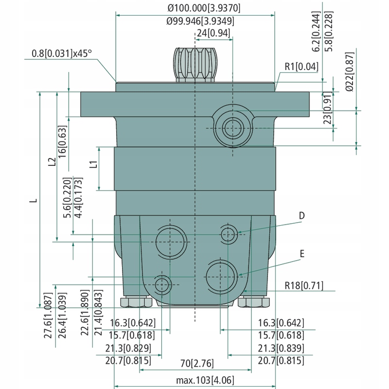
L (мм): 165
перепад давления (бар): 200
макс. крутящий момент (Нм): 825
Число оборотов макс. (обр./мин.): 240
входное давление (бар): 230
Мощность макс. (кВт): 15,0
поток макс. (л / мин.): 75
производительность насоса в см3/об / мин.: 314,9
