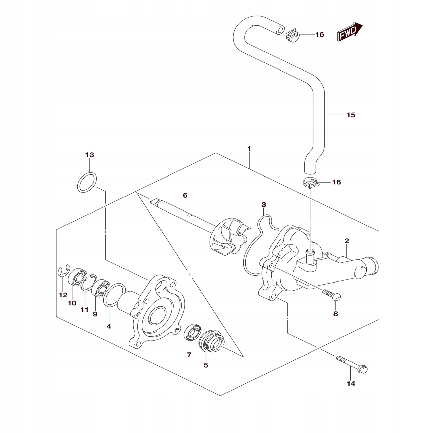
оригинальный комплект для ремонта водяного насоса без рабочего колеса (№6)
подходит для моделей с 2003 по 2005 год.
модель 2005 года является переходной моделью, поэтому перед покупкой, пожалуйста, укажите номер VIN для проверки.
список относится к номерам:
3. 17418-10g00
4. 17435-40F00
5. (17470-02F10 / 17470-02f00/ 17470-02f11)
7.17419-29f00 10x20x5
13.09280-22001
