1560.3/86,7 - Блокировочный клапан с регулировкой 3/8

1560.3/86,7 - Блокировочный клапан с регулировкой 3/8"

Что вы ищете?

1560.3/86,7 - Блокировочный клапан с регулировкой 3/8"

В наличии
Код товара:
13116212390
4121,00 ₴
Основные параметры
Дополнительная информация
Состояние Новый
Номер детали 1560.3/86,7
Описание
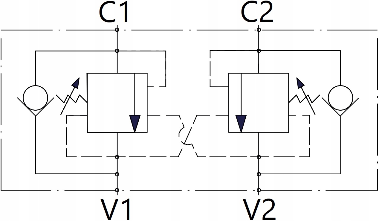
предохранительно — тормозной клапан

код SKRAW-MET: [1560]

тормозно — реверсивный клапан(сдвоенный) используется для управления движением приемника и его блокировкой в обоих направлениях, что обеспечивает контролируемое опускание груза и ограничение максимального давления в случае удара, вызванного неконтролируемым движением, перегрузкой или внезапным маневром.

клапан может использоваться в качестве тормоза и блокировки вращения гидравлического двигателя.

установка клапана должна быть как минимумв 1,3 раза больше рабочего давления , чтобы клапан закрывался даже при рабочем давлении.

подключите V1 и V2 к линии питания и C1 и C2 к приемнику.

поток отV1 до C1 и от V2 до C2 полностью блокируется , когда на V1 и V2 не работает давление, тогда как разблокируется, когда на V1 или V2 влияет давление.

технические характеристики:

тип: SBV-D-06

номинальный размер:DN8

соединения BSP (C1, C2, V1, v2 ):G3/8"

мин/макс. скорость потока (Q ):40 л/мин

соотношение управляющего давления:1:4,25

макс. рабочее давление: 350 бар

  • допустимая температура окружающей среды: -30°C до +50°C
  • допустимая температура масла: -30°C до +80°C

материал:оцинкованная сталь

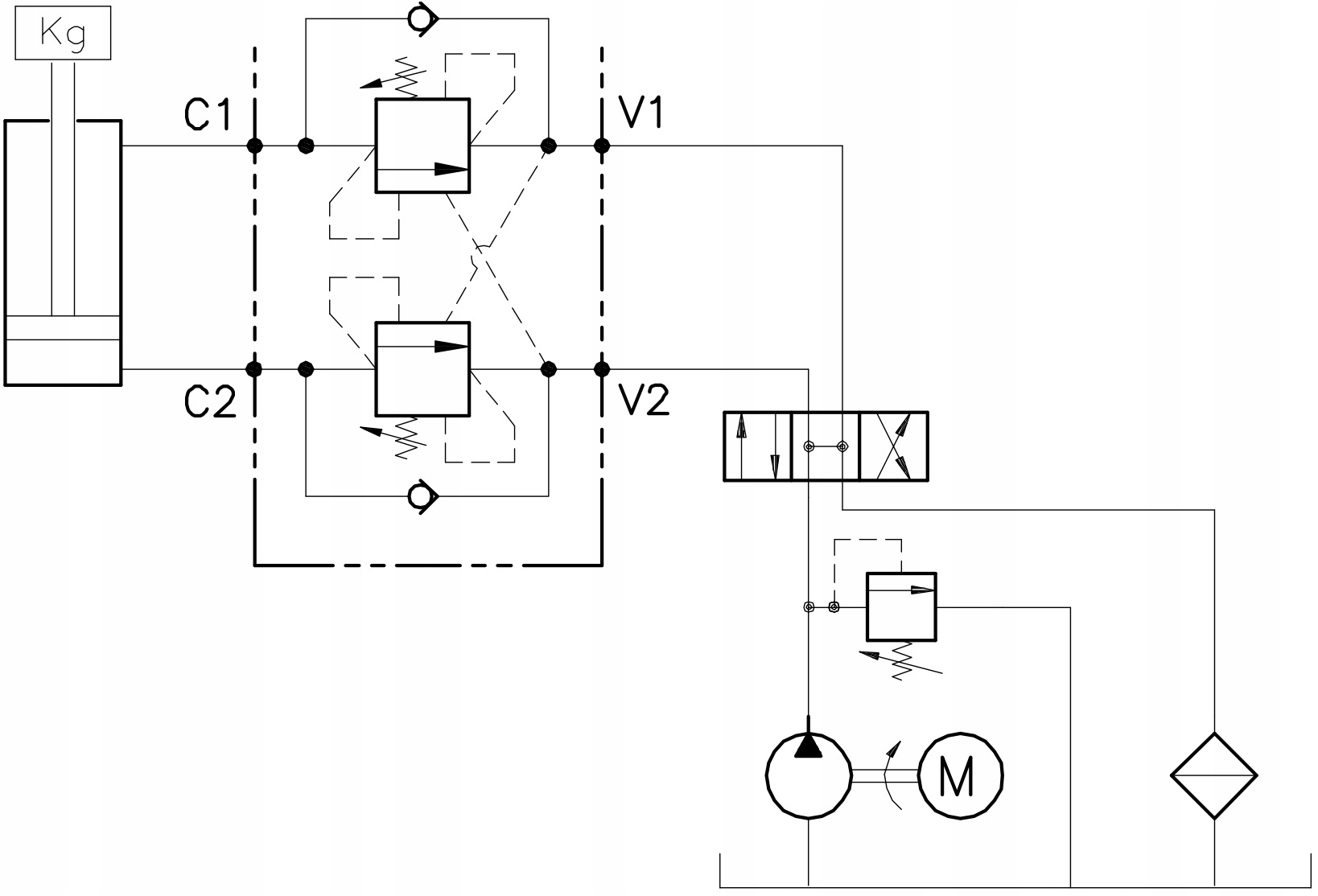
Пример схемы, использующей этот клапан (с приводом 2-стороннего действия):
Scroll To Top