высокоскоростной стартер с трансмиссией II поколения, усиленный
JOHN DEERE
1020, 1030, 1040, 1075, 1085, 1120, 1130, 1140, 1530, 1630, 1640, 1840, 2030, 2040, 2130, 2140, 3040, 3140, 820, 830, 840, 920, 930, 940, 350A, 400A, 450A, B, C, 300, 310, 400, 410, 960, 932, 935, 949, 942, 945, 950, 955, 960, 968, 975, и другие.....п>
сравнительные номера:
AR70436, AT23401, TY6720, ASI3158, IS0534, LRS00565, MSR746, 0001359016, 0001359090 , 0001367037, 0986012420
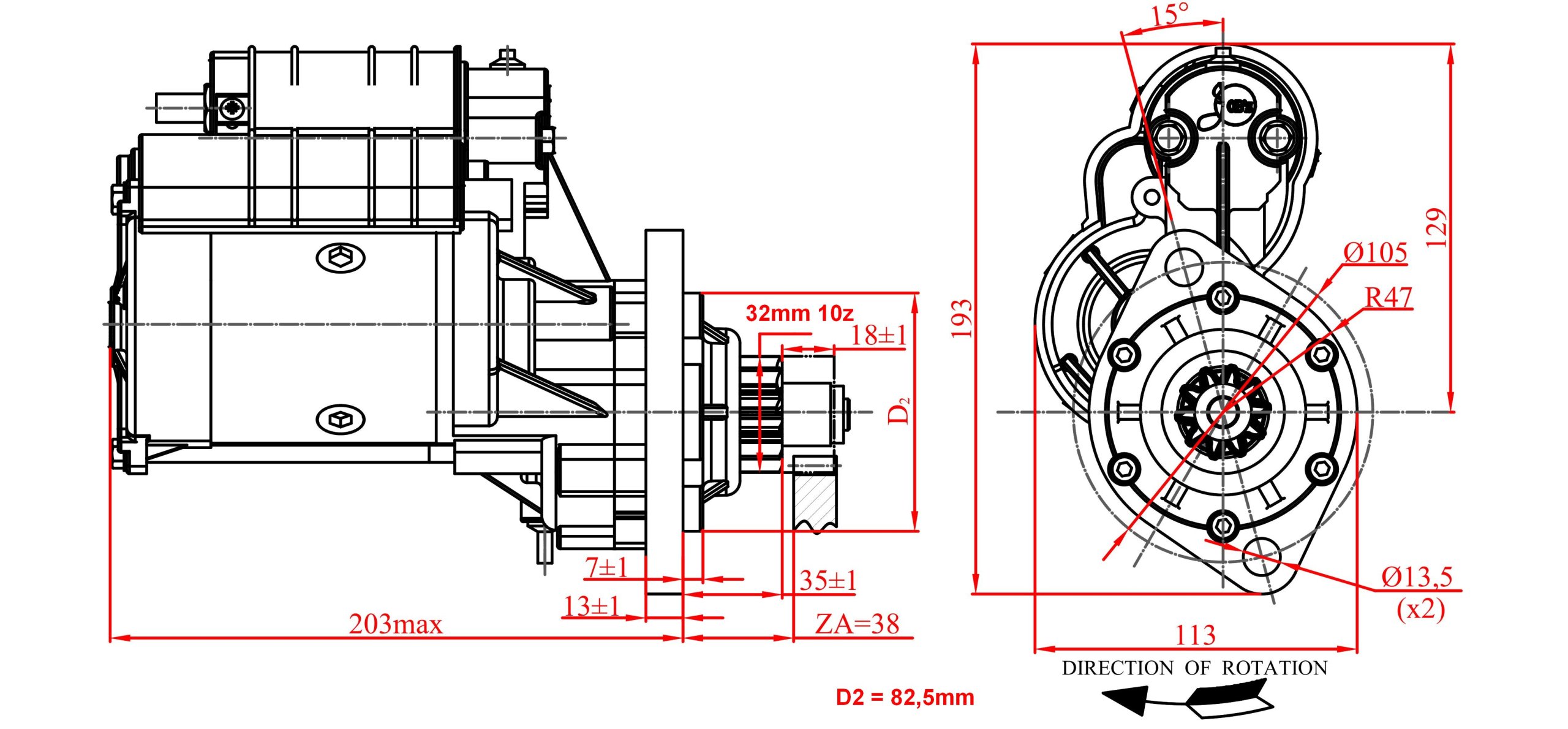
10 зубьев, диаметр звездочки 32 мм
мощность 2,8 кВт крутящий момент 35 Нм , 12В, 161а, 5127 об/мин
12V 2.8 kW 161A 35nm
5127 об / мин (на роторе)
стартеры второго поколения характеризуются меньшим потреблением тока, повышенными оборотами и большей устойчивостью к перегреву !!!
