13575AA103 - SUBARU LEGACY OUTBACK BAJA КРЫШКА КОРПУСА ГРМ

13575AA103 - SUBARU LEGACY OUTBACK BAJA КРЫШКА КОРПУСА ГРМ

Что вы ищете?

13575AA103 - SUBARU LEGACY OUTBACK BAJA КРЫШКА КОРПУСА ГРМ

В наличии
Код товара:
12725022904
3332,00 ₴
Основные параметры
Дополнительная информация
Состояние Новый
Номер детали 13575AA103
Оригинальный номер детали 13575AA103,
Описание

предложение компании SpaceCar

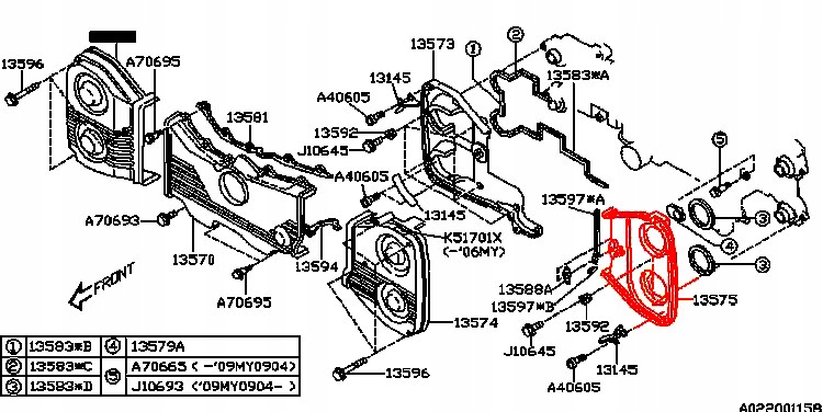
новый оригинальный кожух ГРМ - внутренний

кожух без крепления упоров - направляющих ремня ГРМ

двигатели:

EJ154 - 1.5 L DOHC

EJ204 - 2.0 L DOHC

EJ205 - 2.0 L WRX TURBO

EJ207 - 2.0 L 2.0 L STI Turbo

ej255 - 2.5 L WRX, XT Turbo

EJ257 - 2.5 L STI Turbo

сторона установки: левая (от водителя)

производитель: оригинальный продукт Subaru

каталожный номер: 13575aa103

Subaru Legacy B13 (BL) 2003-2009

Subaru Legacy B14 (BM) 2009-2015

Subaru Outback B13 (BP) 2003-2009

Subaru Outback B14 (br) 2009-2015

Subaru Forester S11 (SG) 2002-2008

Subaru Forester S12 (sh) 2008-2012

Subaru Impreza G11 (GD, GG) 2001-2007

Subaru Impreza G12 (GE, GH) 2008-2012

13575aa103 - cover-Belt no.2, LEFT

существует два типа крышек

Translated by AiTranslate api services.
Scroll To Top