[1199]
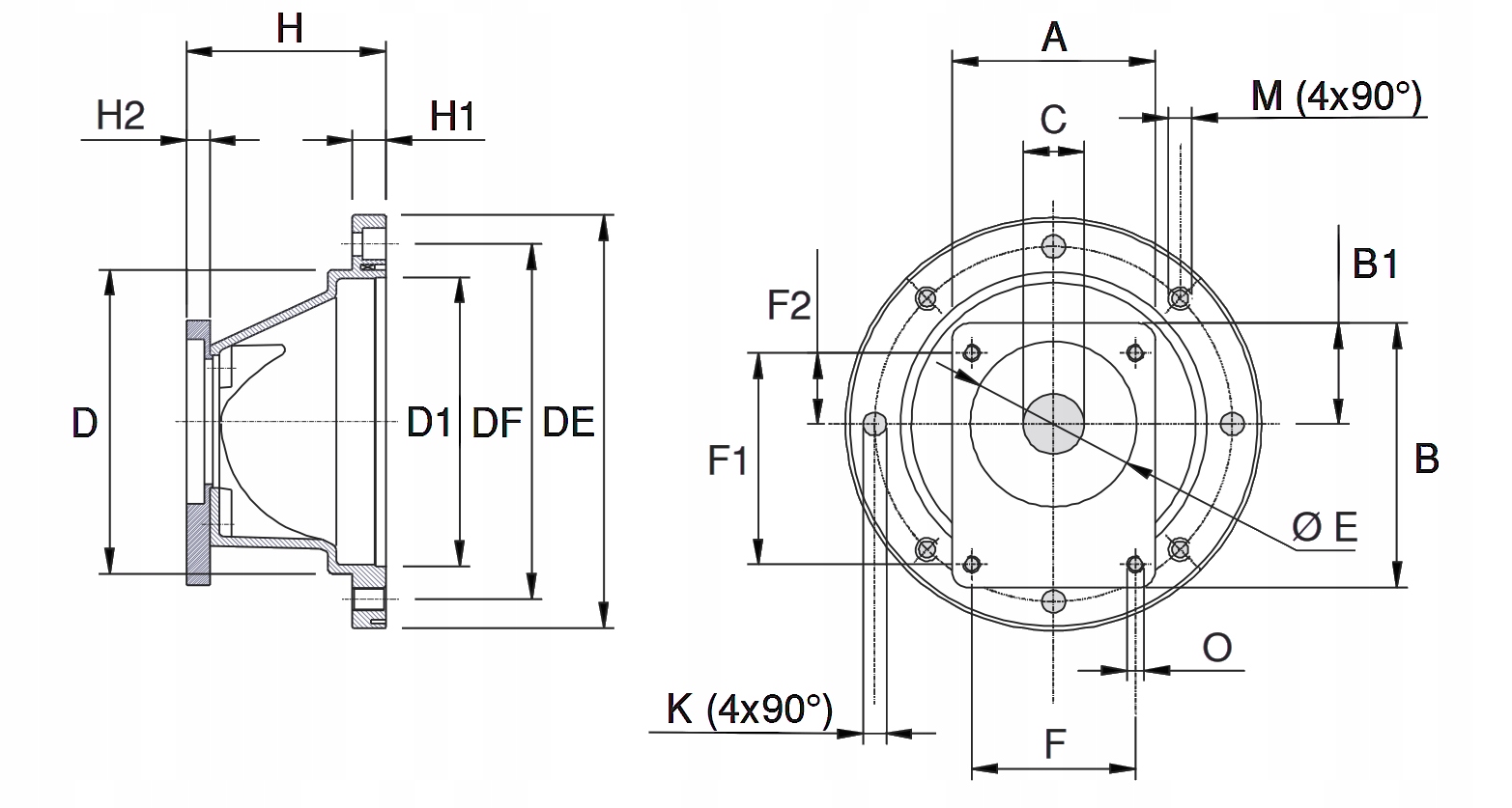
подходит для использования в электродвигателях с рамой D160 или D180 и с зубчатым насосом группы 3 с 4 - винтовым европейским или коническим фланцем 1/8" муфта имеет центрирующее кольцо.
фланцы-это механические компоненты, используемые для подключения электродвигателя к гидравлическому насосу.
эти корпуса обеспечивают идеальную установку электродвигателей со стандартным фланцем B5 и большинством 4 винтовых европейских гидравлических насосов, доступных на мировом рынке.
символ: SETCO 350 M-E-4F-3un
