код обрыва: [1186]
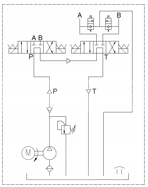
в состав агрегата входит:- гидравлический насос2,0 см3
- электродвигатель 1,6 кВт 12 В постоянного тока
- соединительная пластина с перепускным клапаном
- два соленоидных клапана для управления двухсторонними приводами
- металлический бак8 литров
- два модуля свободного стока-так называемые плавающие секции
