1.27.2.080.0912.75.1 - ДЕРЕВОКОЛ 8T 9-12S ПРИВОД НАСОС ДВИГАТЕЛЬ БАК 75 Л РАСПРЕДЕЛИТЕЛЬ

1.27.2.080.0912.75.1 - ДЕРЕВОКОЛ 8T 9-12S ПРИВОД НАСОС ДВИГАТЕЛЬ БАК 75 Л РАСПРЕДЕЛИТЕЛЬ

Что вы ищете?

1.27.2.080.0912.75.1 - ДЕРЕВОКОЛ 8T 9-12S ПРИВОД НАСОС ДВИГАТЕЛЬ БАК 75 Л РАСПРЕДЕЛИТЕЛЬ

В наличии
Код товара:
15108042642
99193,00 ₴
Основные параметры
Дополнительная информация
Состояние Новый
Номер детали 1.27.2.080.0912.75.1
Описание

Уважаемый покупатель, если вы участвуете в этом аукционе, вы, вероятно, ищете гидравлическое оборудование для изготовления прочного и эффективного дровокола. Возможно, вы уже знаете, что большинство имеющихся на рынке дешевых готовых колунов имеют завышенные параметры, ограниченное время работы и не подходят для раскалывания большинства пород древесины, особенно самых твердых и калорийных, таких как дуб, бук, граб, акация, ясень, груша, яблоня и другие. Решение построить собственный сплиттер до сих пор было очень трудным и технически требующим знаний делом. К счастью, теперь это осталось в прошлом. Agricola Hydraulika Silowa представила профессиональные комплекты для сборки дровоколов, предлагая помощь и техническую поддержку . Никогда еще создание дровокола своими руками не было таким простым и безопасным. Благодаря широкому ассортименту продукции и различным комплектам, отличающимся мощностью расколки и временем цикла расколки, вы сможете подобрать комплект, соответствующий вашим потребностям.

ŁUPARKA DO DREWNA 8T 9-12S SIŁOWNIK POMPA SILNIK ZBIORNIK 75L ROZDZIELACZ Numer katalogowy części 1.27.2.080.0912.75.1

ГИДРАВЛИКА ДЛЯ РАСКОЛИВАНИЯ ДРЕВЕСИНЫ

МОЩНОСТЬ РАСКОЛЕНИЯ: 7,7 ТОНН; ВРЕМЯ ЦИКЛА РАЗДЕЛЕНИЯ: 9 - 12 СЕК

Производство:

Оригинальный продукт марки Hydrolider, символ производителя: 1.27.2.080.0912.75.1

Применение:

Набор элементов для построения гидравлической системы в очень прочном и эффективном дровоколе. Гидравлические параметры элементов из комплекта подобраны для дровоколов, работающих непрерывно в сложных условиях, в которых предлагаемые на рынке коммерческие готовые дровоколы малоэффективны.

Мощность раскалывающего цилиндра в предлагаемом комплекте позволяет раскалывать средние и крупные стволы древесины:

  • очень мягкиетип: осина, тополь, ива, ель, пихта
  • мягкая тип: сосна, липа, явор, ольха, орешник, каштан, можжевельник, платан, лиственница
  • li>
  • средней твердости тип: береза, вяз, орех, черная сосна

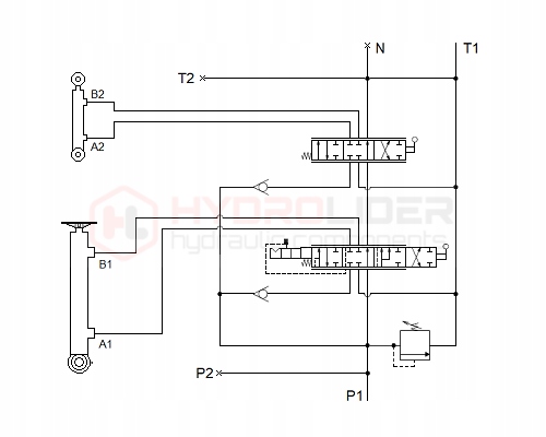
ГИДРАВЛИЧЕСКИЙ РАСПРЕДЕЛИТЕЛЬ – СПЕЦИАЛЬНО ДЛЯ КОЛОВ

ПЕРВАЯ СЕКЦИЯ – УПРАВЛЕНИЕ ВЫДВИЖНЫМ ЦИЛИНДРОМ

Спроектирован специально для дровоколов. Ползунок приводится в движение в одну сторону пружиной, в другую - подпружиненной защелкой. Во время расколки в целях безопасности дровокол требует удержания рычага, при этом возврат штока поршня происходит на защелке, которая пружинит при полном втягивании привода и возвращается в исходное положение.

Это решение позволяет менять ствол и убирать гильзы при возвратном движении поршня. Кроме того, после возвращения штока поршня защелка самостоятельно пружинит и разгружает насос, поэтому гидравлическая система не нагревается. В нейтральном положении масло свободно протекает через распределитель и попадает в обратный канал в бак.

ŁUPARKA DO DREWNA 8T 9-12S SIŁOWNIK POMPA SILNIK ZBIORNIK 75L ROZDZIELACZ Producent części Hydrolider

ГИДРАВЛИЧЕСКИЙ РАСПРЕДЕЛИТЕЛЬ – ЭФФЕКТИВНАЯ РАБОТА

Распределитель дополнительно имеет две скорости для штока поршня, который быстрее выдвигается на пути к стволу, но после достижения его замедляется и набирает давление. Такое решение ускоряет цикл расколки, повышает эффективность работы дровокола и исключает эффект удара раскалывающего элемента о пень - явление, создающее множество проблем при работе с дровоколом.

ВТОРОЙ РАЗДЕЛ – УПРАВЛЕНИЕ ДОПОЛНИТЕЛЬНЫМ ПРИВОДОМ

Дополнительный раздел, позволяющий управлять любым приводом двойного действия. Это может быть привод, управляющий устройством подачи пней, или привод, предназначенный для установки высоты поперечного ножа. Гидравлическая регулировка высоты ножа сокращает время работы дровокола и позволяет быстро регулировать высоту ножа под стволы различного диаметра.

ГИДРАВЛИЧЕСКИЙ РАСПРЕДЕЛИТЕЛЬ – ТЕХНИЧЕСКИЕ ДАННЫЕ

Количество рабочих секций: 2

Управление 1 основная секция: рычаг с 3 рабочими положениями и 1 нейтральным положением ( 3 -1-0-2)

  • 1 - выдвижение штока поршня
  • 3 - ускоренное выдвижение штока поршня
  • 0 - остановка штока поршня
  • 2 - возврат штока поршня (фиксация с отскоком)

Управление 2 дополнительным разделом: рычаг с 2 рабочими положениями и 1 нейтральным положением (1 - 0 - 2)

  • 1 — выдвижение штока поршня
  • 0 — остановка штока поршня
  • 2 — возврат штока поршня

Мощность подводящая резьба: наружная М22х1,5 (для кабеля с гайкой ДКОЛ)

Резьба обратная: наружная М27х2 (для кабеля с гайкой ДКОЛ)

Резьба на рабочей части: наружная М22х1 .5 (для кабеля с гайкой ДКОЛ)

ГИДРАВЛИЧЕСКИЙ ЦИЛИНДР – СПЕЦИАЛЬНЫЙ ДЛЯ КОЛУНОВ

Специальный цилиндр двойного действия, предназначенный для раскалывания бревен в дровоколах. Оснащен специальным перфорированным листом, стабилизирующим ствол при подаче и раскалке древесины. Оснащен креплением и специальной опорой, обеспечивающей безопасную и стабильную работу привода.

ГИДРАВЛИЧЕСКИЙ ЦИЛИНДР – ТЕХНИЧЕСКИЕ ДАННЫЕ

  • Тип цилиндра: двустороннего действия
  • Рабочий ход штока поршня: 500 мм
  • >
  • Длина в нерабочем состоянии: 805 мм
  • Длина в полностью выдвинутом состоянии: 1305 мм
  • Максимальная сила давления при раскалывании древесины: 7,7 тонн
  • Время одного полного цикла (вперед – разделение – возврат): 9 – 12 секунд
  • Максимальная рекомендуемая длина магистрали: 550 мм
  • Резьба на обоих выходах: внешняя М22х1,5 (готова для кабелей с гайкой ДКОЛ)

НАСОС И ЭЛЕКТРОДВИГАТЕЛЬ - СПЕЦИАЛЬНО ДЛЯ СПАЙСЕРА

Полный привод для дровокола, состоящий из 3-х фазного электродвигателя и 1-х секционного гидронасоса, сцепления , разъем колокола и винты для подключения к двигателю.

НАСОС И ЭЛЕКТРОДВИГАТЕЛЬ – ТЕХНИЧЕСКИЕ ДАННЫЕ

  • Тип двигателя: 3-фазный
  • Электропитание: 400В (380В)
  • >
  • Ток: 11,03 А
  • Материал корпуса двигателя: алюминий
  • Тип насоса: шестеренчатый европейского типа
  • Габариты всего привода: длина 610 мм; высота 342 мм; ширина 300 мм
  • Всасывающая резьба: наружная М27х2 (для кабеля с гайкой ДКОЛ)
  • Нажимная резьба: наружная М22х1,5 (для кабеля с гайкой ДКОЛ)

МАСЛЯНЫЙ БАК С ФИЛЬТРацией - СПЕЦИАЛЬНО ДЛЯ РАЗБРАСЫВАТЕЛЕЙ

Комплектный масляный бак с креплением к основанию, оснащенный заливной пробкой с вентиляционным отверстием и фильтрующей сеткой, уровнем масла манометр с термометром, пробка-раковина с магнитом и погружным фильтром с байпасом на давление 1,5 бар и сменным картриджем.

МАСЛЯНЫЙ БАК С ФИЛЬТРацией – ТЕХНИЧЕСКИЕ ДАННЫЕ

  • Общая емкость бака: 75 литров
  • Уровень фильтрации: 25 мкм
  • Место фильтрации: обратка
  • Размеры бака: длина 600 мм; высота 450 мм; ширина 355 мм
  • Расстояние между монтажными отверстиями: 632 мм х 320 мм
  • Всасывающая резьба: наружная М27х2 (для кабеля с гайкой ДКОЛ)
  • Обратная резьба: наружная М27х2 (для кабеля с гайкой ДКОЛ)

НОЖ КРЕСТОВАЛЬНЫЙ - СПЕЦИАЛЬНЫЙ ДЛЯ КОЛЕНИ

  • Высота: 120 мм
  • Материал корпуса: сталь
  • Материал ножи: высококачественная закаленная сталь
  • Покрытие: оцинковка

СОЕДИНИТЕЛИ И КАБЕЛИ

  • Все гидравлические соединения, ввернутые в отверстия привода, насоса, бака и распределителя, входят в предлагаемый комплект (иллюстративное фото) li>
  • Из-за свободы и разнообразия решений при проектировании дровокола нам не удалось подобрать длину гидравлических шлангов, соответствующую конструкциям и решениям, используемым всеми пользователями. Поэтому мы не решили включать их в предлагаемый набор. Гидравлические шланги рекомендуем приобретать в конце, после того как все гидроэлементы из комплекта будут установлены на раму делителя.
Scroll To Top