1.06.00.080 - ORBITROL OSPC 80 ON WZM POWER SUPPLY HYDROLIDER

1.06.00.080 - ORBITROL OSPC 80 ON WZM POWER SUPPLY HYDROLIDER

Что вы ищете?

1.06.00.080 - ORBITROL OSPC 80 ON WZM POWER SUPPLY HYDROLIDER

В наличии
Код товара:
11345163281
8005,00 ₴
Основные параметры
Дополнительная информация
Состояние Новый
Номер детали 1.06.00.080
Описание
ORBITROL OSPC 80 ON WZM WSPOMAGANIE HYDROLIDER Weight with packaging 7 kg
ORBITROL OSPC 80 ON

Production:

Original Hydrolider product, символ: 1.06.00.080

third-party comparative numbers:

OSPC-80-ON; OSPC80ON; 150n2150

Application:

It is widely used in steering systems in industrial machinery and vehicles used in transport, agriculture, horticulture, forestry, construction and industry.

The OSPC 80 ON orbitrol is designed for the hydraulic control of the steering system in agricultural tractors, forklifts, excavators, combine harvesters and construction machines и т. д.

дорогой клиент, READ this BEFORE you BUY ORBITROL:

Orbitrol is a very precise and important device for traffic safety, unfortunately there are many cheap goods from China on the market which at first glance looks the same, but the неточно workmanship prevents proper driving and work with the tractor. Мы не рекомендуем покупать новые орбитальные аппараты, из ненадежных источников, из продавцов, у которых не было опыта в продаже этого типа оборудования.

Technical data:

Orbitrol 80 with the система (OPEN NORMALLY), while the steering wheel is stationary, the oil постоянно circulates in the system and freely passes through the orbitrol, the return line to the tank, then the pump works but is unloaded.

  • Connections: P, T, A, B internal threads [BSP]: 1/2 "
  • фиксация рулевой колонки: 4X M10 screw - 16mm
  • установка клапана: overflow 160bar, shock 240bar
  • геометрический объем: 80cm3 / rev.Ли>
  • Recommended Oil flow in the system: 6-10л / мин.Ли> улей>

    материал:

    Cast iron

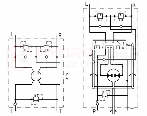
    full size drawing (рис. ):

  • ORBITROL OSPC 80 ON WZM WSPOMAGANIE HYDROLIDER Part number 1 06 00 080
    ORBITROL OSPC 80 ON WZM WSPOMAGANIE HYDROLIDER EAN 2000000116198

    Advantages of Hydrolider production orbitrols:

  • A special reinforced and more precisely made structure обеспечивает perfect operation without leaks, without jerking the steering wheel and, most importantly, very light and smooth steering even in heavily loaded vehicles.Ли> улей>

  • each orbitrol is sent together with the instructions for connecting the hydraulic lines, we also provide full technical support in selecting the appropriate orbitrol and during assembly.Ли> улей>

  • Produced in Europe, comes from a reliable source, has a two-year warranty, proven goods from a reliable manufacturer.Ли> улей>

  • Even when the tractor or pump fails, this function is very useful in emergency situations, e.g. when towing.Ли> улей>

    Hydraulic diagram of the OSPC ON orbitrol (рис. ):

  • Scroll To Top