код товара : 04423
яхтенный туалет из керамики и пластика. Он идеально подходит для лодок или туристических транспортных средств. Промывка фекалий осуществляется с помощью самовсасывающего поршневого насоса, двойного действия. Фиксирующая рукоятка защищает от разлива и обратного загрязнения, закрывая выпускной клапан. Смыв может быть установлен как слева, так и справа. Слив имеет обратный клапан Джокера.
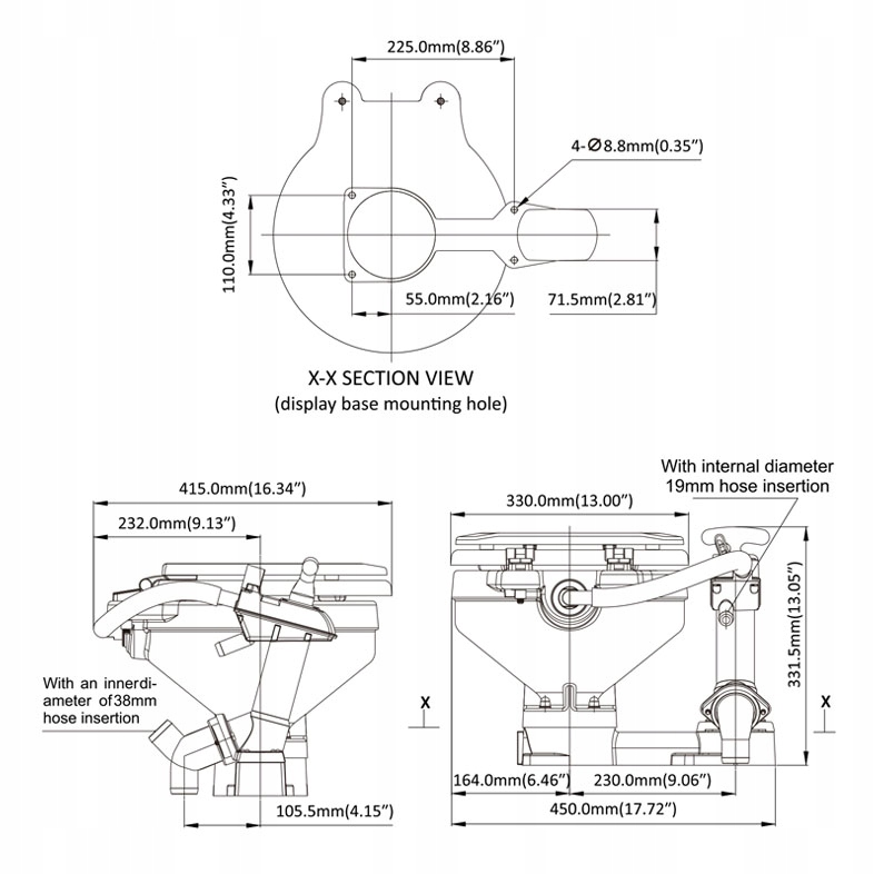
- ширина Макс-450 мм
- Высота - 331,5 мм
- глубина-415 мм
- входной патрубок-19 мм (3/4")
- выпускной патрубок-38 мм (1 1/2")
