[0342]
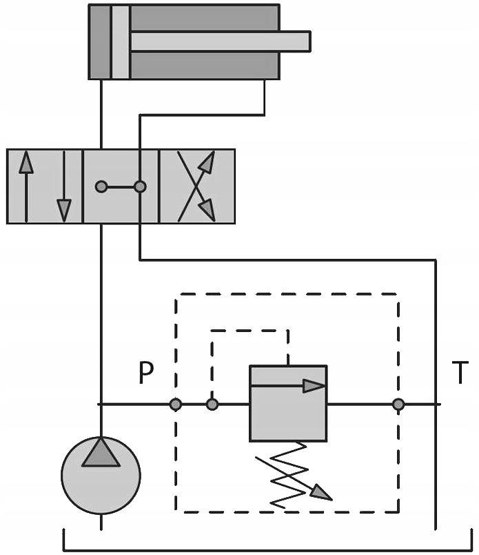
- задача переливного клапана (предохранительного) - ограничить максимальное давление в гидравлической системе до заданного значения.
- защищает гидравлическую систему от перегрузки.
- клапан можно настроить на желаемое давление с помощью установленного в нем регулятора.
- управляется напрямую, гарантирует быструю работу.
клапан используется в поворотных, циклопических, вилочных погрузчиках, сельскохозяйственной и промышленной технике и других гидравлических устройствах управления.
символ: DBV-E-70-12
