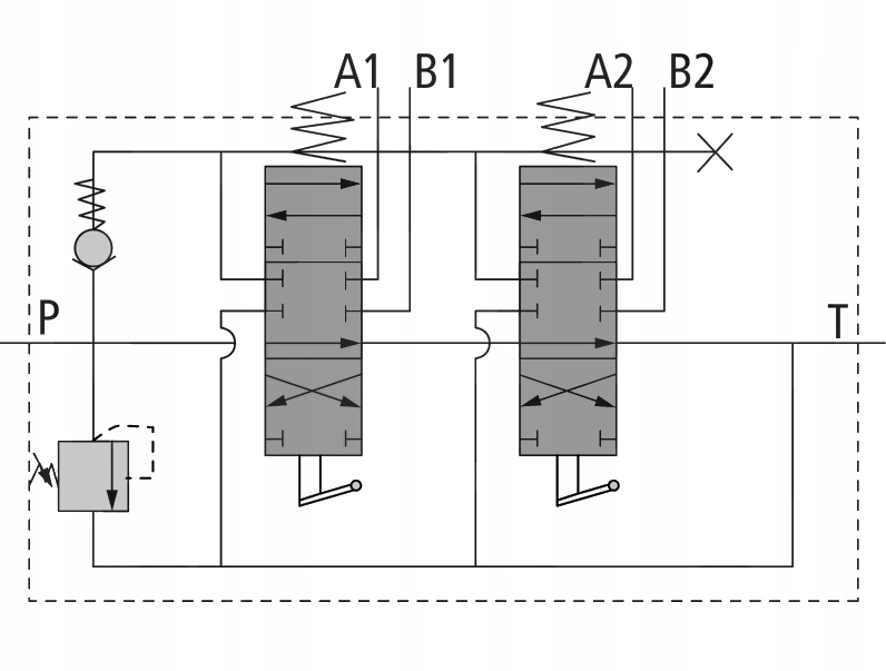
гидравлический сплиттер 2 секции 40 л для тросов
[0240]
высококачественный сплиттер,
универсальный сплиттер, применяется в различных видах машин, таких как циклопы, турели, погрузчики, плуги, вилочные погрузчики и производные.
распределитель идеально подходит для машин и оборудования с гидравлическим приводом.
может использоваться в сельском хозяйстве, садоводстве, лесном хозяйстве или строительстве.
подходит для работы в: сельскохозяйственной технике, тракторах, опрыскивателях, турели , циклопах, погрузчиках HDS, строительной технике, погрузчиках, экскаваторах, подметальных машинах, промышленных машинах и других.
управление с помощью тросов и джойстика.
распределитель имеет предохранительный клапан.
- расход масла 0 - 40 л / мин.
- допустимая температура масла: от -15°C до +80°C
- гидравлическое масло на основе минерального масла
- допустимая температура окружающей среды: от -40°C до +60°C
